Merci pour ta réponse.
Cependant, elle appelle une autre question
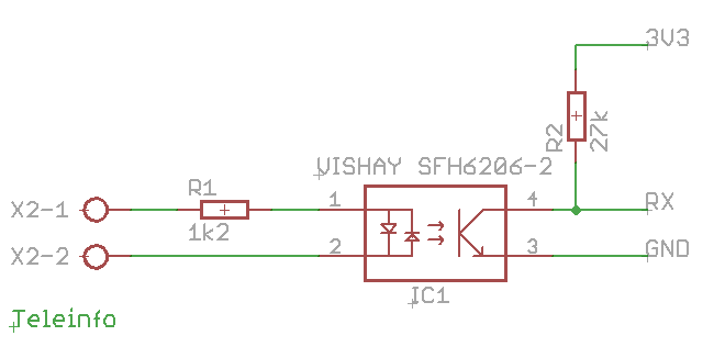
Mon montage fonctionne bien avec un vrai port série, mais sur un adaptateur USB, que néni !
J'ai donc pensé à une chose : l'adaptateur série (pl2303) semble ne pas inclure d'adaptateur de niveaux (type max232), et de ce fait, il sort des tensions à 3.3V (simili-ttl, ou plutot CMOS...)
Ne serait-il donc pas nécessaire dans ce cas, de polariser l'opto par rapport à la masse du port série, et donc avec non plus du 5V, mais du 3.3V (broche DTR) ?






