réduit la taille dans paint, ou bien héberge chez imageschack
question sur la profondeur d'un forage
- vile-coyote
- Scotché au forum

- Messages : 1242
- Enregistré le : dim. avr. 30, 2006 7:36 pm
- Localisation : 56
- Travaillez-vous dans le domaine des énergies ou du chauffage : Non
-
couff
- Assidu

- Messages : 52
- Enregistré le : sam. juil. 26, 2008 8:24 pm
- Localisation : 38119 PIERRE CHATEL
- Travaillez-vous dans le domaine des énergies ou du chauffage : Non
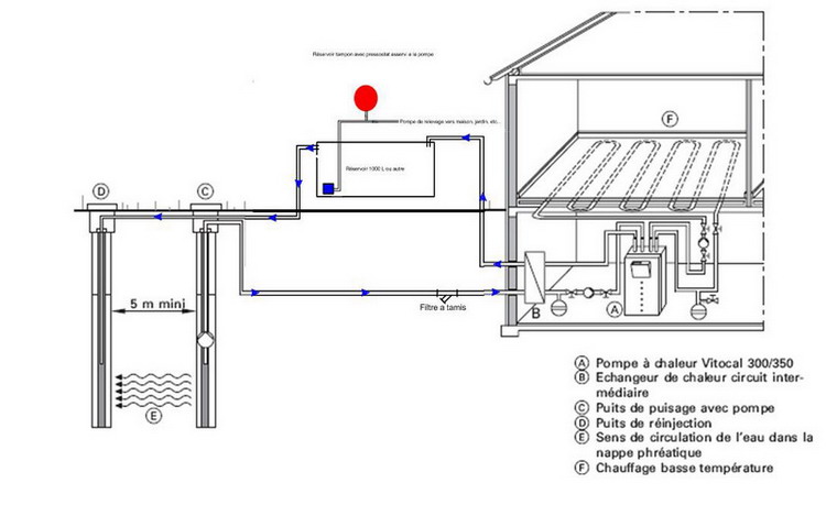
voila pour l'image:lol:
un schéma pour l'alim wc, jardin, etc...,
pompage d'eau sur le retour de la pompe de puit,
pose d'une pompinette + réservoir tampon.
question au sujet du ballon tampon 300L
d'après les calculs de mon fournisseur, il me dit que je n'est pas besoin vu mon install d'un ballon tampon pour la Nibe 1240 ?? ( 70m² de PC + 8 radiateurs )

un schéma pour l'alim wc, jardin, etc...,
pompage d'eau sur le retour de la pompe de puit,
pose d'une pompinette + réservoir tampon.
question au sujet du ballon tampon 300L
d'après les calculs de mon fournisseur, il me dit que je n'est pas besoin vu mon install d'un ballon tampon pour la Nibe 1240 ?? ( 70m² de PC + 8 radiateurs )

- nappe phreatique
- Resp. Section

- Messages : 2383
- Enregistré le : mer. déc. 21, 2005 1:16 pm
- Localisation : 63
- Travaillez-vous dans le domaine des énergies ou du chauffage : Non
Comme ça c'est pas mal. La pompe à eau circuit PAC peut etre optimisée à fond (débit demandé avec la pression mini possible).couff a écrit :voila pour l'image:lol:
un schéma pour l'alim wc, jardin, etc...,
pompage d'eau sur le retour de la pompe de puit,
pose d'une pompinette + réservoir tampon.
Quand la pompe à eau principale sera à l'arret et que la pompe "surpresseur" marchera, elle tapera dans la réserve, faisant une depression qui devrait faire remonter de l'eau depuis le puits de réinjection.
Du moment qu'il y a des radiateurs, la loi d'eau de la PAC sera calée sur l'exigeance specifique des radiateurs, donc le ballon tampon se justifie pleinement, malgré le PCquestion au sujet du ballon tampon 300L
d'après les calculs de mon fournisseur, il me dit que je n'est pas besoin vu mon install d'un ballon tampon pour la Nibe 1240 ?? ( 70m² de PC + 8 radiateurs )
Un fournisseur qui ne recommende pas de BT sur une install' mixte PC/radiateur...
-
Amicalement,
François
Double PAC O/O Nibe
http://www.chaleurterre.com/wiki/doku.p ... phreatique
Bureau d’Étude spécialisé dans la rénovation chauffage des grandes demeures.
Amicalement,
François
Double PAC O/O Nibe
http://www.chaleurterre.com/wiki/doku.p ... phreatique
Bureau d’Étude spécialisé dans la rénovation chauffage des grandes demeures.
-
couff
- Assidu

- Messages : 52
- Enregistré le : sam. juil. 26, 2008 8:24 pm
- Localisation : 38119 PIERRE CHATEL
- Travaillez-vous dans le domaine des énergies ou du chauffage : Non
salut a tous,
j'ai pas mal avancé sur mon projet, je suis en train de modifier mes 2 circuits de chauffage pour adapter le ballon tampon Nibe BT300.
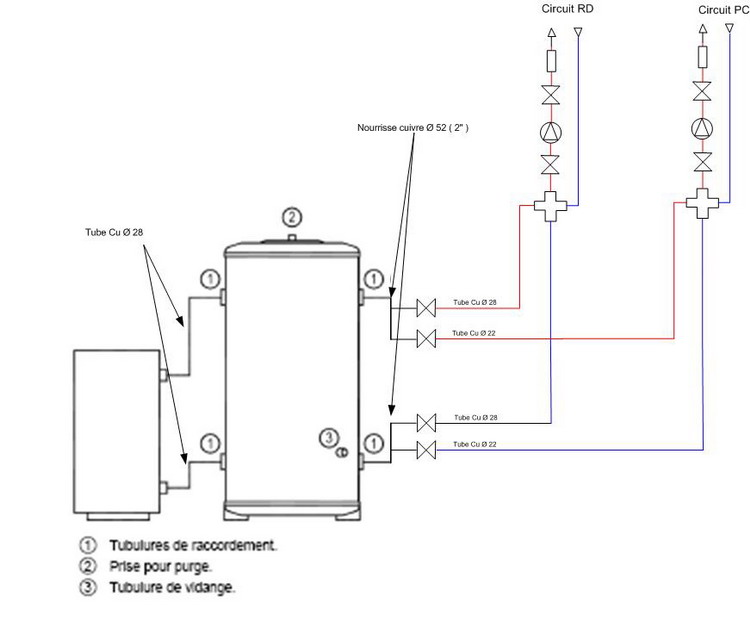
a ce sujet j'ai une question concernant les deux nourrisses sortie du ballon ( voir schéma de mon install, merci VISIO bien pratique).
la sortie du BT300 est en 2" soit un cuivre de diam 52 je me demande si je peut descendre en section car 52mm c'est gros et dur a braser
départ RD = cu 28
départ PC = cu 22
effectivement si j'additionne les deux section j'arrive a +/- 52
que faire pour ne pas perdre du débit
a bientôt

j'ai pas mal avancé sur mon projet, je suis en train de modifier mes 2 circuits de chauffage pour adapter le ballon tampon Nibe BT300.
a ce sujet j'ai une question concernant les deux nourrisses sortie du ballon ( voir schéma de mon install, merci VISIO bien pratique).
la sortie du BT300 est en 2" soit un cuivre de diam 52 je me demande si je peut descendre en section car 52mm c'est gros et dur a braser
départ RD = cu 28
départ PC = cu 22
effectivement si j'additionne les deux section j'arrive a +/- 52
que faire pour ne pas perdre du débit
a bientôt

-
hd31
- Resp. Section

- Messages : 3358
- Enregistré le : dim. mars 18, 2007 12:21 pm
- Localisation : Toulouse
- Travaillez-vous dans le domaine des énergies ou du chauffage : Non
- Contact :
Euh, 28 + 22 ne font jamais 52 (ou même 50...) car on compare des sections !
On serait à l'équivalent d'un 35 (33 interne). Ensuite, ce n'est pas parce qu'il y a une réduction à un endroit que tout s'effondre, on a simplement une perte de charge plus forte localement. Donc, du 32, ou même du 28, sur une telle longueur, ne posent aucun problème.
- nappe phreatique
- Resp. Section

- Messages : 2383
- Enregistré le : mer. déc. 21, 2005 1:16 pm
- Localisation : 63
- Travaillez-vous dans le domaine des énergies ou du chauffage : Non
HD à raison, en plus une PAC de 13 kW n'a pas besoins de telles sections (52 mm) pour acheminer la puissance vers les radiateurs et PC.
Ici, 3 kW de puissance, 23 radiateurs, le tube de Cu commun à toute la circulation hydraulique est en 32 mm, et çà suffit amplement.
Pas de soucis donc à ne pas rester en section 52. Apres, pour la section 22 pour le PC, ça depend de la perte de charge totale. Toutes ces choses se calculent.
Ici, 3 kW de puissance, 23 radiateurs, le tube de Cu commun à toute la circulation hydraulique est en 32 mm, et çà suffit amplement.
Pas de soucis donc à ne pas rester en section 52. Apres, pour la section 22 pour le PC, ça depend de la perte de charge totale. Toutes ces choses se calculent.
-
Amicalement,
François
Double PAC O/O Nibe
http://www.chaleurterre.com/wiki/doku.p ... phreatique
Bureau d’Étude spécialisé dans la rénovation chauffage des grandes demeures.
Amicalement,
François
Double PAC O/O Nibe
http://www.chaleurterre.com/wiki/doku.p ... phreatique
Bureau d’Étude spécialisé dans la rénovation chauffage des grandes demeures.
-
couff
- Assidu

- Messages : 52
- Enregistré le : sam. juil. 26, 2008 8:24 pm
- Localisation : 38119 PIERRE CHATEL
- Travaillez-vous dans le domaine des énergies ou du chauffage : Non
Salut a tous,
beaucoup de travaux depuis la dernière fois, mon projet a bien avancé.
le forage c'est bien déroulé, 16m de profondeur
, le niveau statique et de 4,6m, le niveau dynamique baisse a 7m après plusieurs jour de pompage, j'ai descendu la pompe a 12m.
Ma PAC est arrivé ce vendredi ( pas trop tôt ) presque 3 mois de délai, c'est une NIBE 1240, 12.2S, ( elle est bellllllle ont dirait un frigo ).
j'ai repris toute la plomberie en attendant, je me suis fais plaisir ( pas mal pour un électricien ). bientôt les images !!!
le budget pour le moment vu que je réalise tout moi même ( grâce a vous, pour les réponses qui m'ont bien aidé )
PAC 12.2S = 6250€
kit Racc= 280€
échangeur EB O/O 12 = 1200€
Ballon BT 200L = 545€
forage = 2400€
pompe de puit + plymouth + raccords + Ballon 300L= 1350€
total = 12025€ + 1500€ de tube cuivre et raccords divers.
- le crédit d'impôt, je pense que ça peut aller.
Une question quant meme,
que poser comme filtre a sable, car j'ai monté un filtre a tamis 3/10eme, il se bouche tout de suite !!
pour éviter de colmater l'échangeur, quel filtre monter ??
a bientot
beaucoup de travaux depuis la dernière fois, mon projet a bien avancé.
le forage c'est bien déroulé, 16m de profondeur
Ma PAC est arrivé ce vendredi ( pas trop tôt ) presque 3 mois de délai, c'est une NIBE 1240, 12.2S, ( elle est bellllllle ont dirait un frigo ).
j'ai repris toute la plomberie en attendant, je me suis fais plaisir ( pas mal pour un électricien ). bientôt les images !!!
le budget pour le moment vu que je réalise tout moi même ( grâce a vous, pour les réponses qui m'ont bien aidé )
PAC 12.2S = 6250€
kit Racc= 280€
échangeur EB O/O 12 = 1200€
Ballon BT 200L = 545€
forage = 2400€
pompe de puit + plymouth + raccords + Ballon 300L= 1350€
total = 12025€ + 1500€ de tube cuivre et raccords divers.
- le crédit d'impôt, je pense que ça peut aller.
Une question quant meme,
que poser comme filtre a sable, car j'ai monté un filtre a tamis 3/10eme, il se bouche tout de suite !!
pour éviter de colmater l'échangeur, quel filtre monter ??
a bientot
-
couff
- Assidu

- Messages : 52
- Enregistré le : sam. juil. 26, 2008 8:24 pm
- Localisation : 38119 PIERRE CHATEL
- Travaillez-vous dans le domaine des énergies ou du chauffage : Non
Salut,
quel est le diamètre de filtration (130, 200 ou 300 µ ) ??
mon filtre est un simple filtre a tamis 125µ, au démarrage de la pompe il sur colmate tout de suite.
j'ai enlevé le tamis, pour le moment via un bipass la pompe tourne depuis hier,
je pense qu'il faut la laisser pompé pour qu'une poche ce face dans la nappe.
question:
entre l'échangeur et la PAC, faut il de l'eau glycolée ou de l'eau simple sachant que l'échangeur ce trouve dans mon garage hors gel.
a bientôt
quel est le diamètre de filtration (130, 200 ou 300 µ ) ??
mon filtre est un simple filtre a tamis 125µ, au démarrage de la pompe il sur colmate tout de suite.
j'ai enlevé le tamis, pour le moment via un bipass la pompe tourne depuis hier,
je pense qu'il faut la laisser pompé pour qu'une poche ce face dans la nappe.
question:
entre l'échangeur et la PAC, faut il de l'eau glycolée ou de l'eau simple sachant que l'échangeur ce trouve dans mon garage hors gel.
a bientôt
- nappe phreatique
- Resp. Section

- Messages : 2383
- Enregistré le : mer. déc. 21, 2005 1:16 pm
- Localisation : 63
- Travaillez-vous dans le domaine des énergies ou du chauffage : Non
Salut,
J'ai répondu en perso, mais je réagit aussi ici.
Pour la PAC c'est de l'auto-installation donc. (T'as un copain installateur pour te fournir une facture pour le CI ?)
Faire gaffe (comme dit RV) à la mise en marche de la pompe à eau qui doit se faire en même temps que le circulateur primaire, donc env 30 s avant le compresseur. Ces 30 s de marge permettent d'avoir un débit d'eau de nappe établi quand le compresseur commence à tirer des calories.
Pour la filtration, il y a sables et argiles. Au début j'avais un filtre 25 µm, et ça colmatait en moins d'une semaine. Maintenant, 150 ou 200 µ, c'est bon. Bien sur, il y a des particules de moins de 150 µ qui passent, mais le pouvoir abrasif sur l'échangeur est négligeable. Reste le pouvoir colmatant des argiles, difficile à évaluer, d'ou l'interet d'un échangeur à plaque démontable, donc lavable.
J'ai répondu en perso, mais je réagit aussi ici.
Pour la PAC c'est de l'auto-installation donc. (T'as un copain installateur pour te fournir une facture pour le CI ?)
Faire gaffe (comme dit RV) à la mise en marche de la pompe à eau qui doit se faire en même temps que le circulateur primaire, donc env 30 s avant le compresseur. Ces 30 s de marge permettent d'avoir un débit d'eau de nappe établi quand le compresseur commence à tirer des calories.
Pour la filtration, il y a sables et argiles. Au début j'avais un filtre 25 µm, et ça colmatait en moins d'une semaine. Maintenant, 150 ou 200 µ, c'est bon. Bien sur, il y a des particules de moins de 150 µ qui passent, mais le pouvoir abrasif sur l'échangeur est négligeable. Reste le pouvoir colmatant des argiles, difficile à évaluer, d'ou l'interet d'un échangeur à plaque démontable, donc lavable.
-
Amicalement,
François
Double PAC O/O Nibe
http://www.chaleurterre.com/wiki/doku.p ... phreatique
Bureau d’Étude spécialisé dans la rénovation chauffage des grandes demeures.
Amicalement,
François
Double PAC O/O Nibe
http://www.chaleurterre.com/wiki/doku.p ... phreatique
Bureau d’Étude spécialisé dans la rénovation chauffage des grandes demeures.
-
couff
- Assidu

- Messages : 52
- Enregistré le : sam. juil. 26, 2008 8:24 pm
- Localisation : 38119 PIERRE CHATEL
- Travaillez-vous dans le domaine des énergies ou du chauffage : Non
bonsoir,
pour le filtre, l'eau est un peut boueuse au démarrage de la pompe, j'ai également du sable fin qui me colmate le filtre a tamis malle 3/10.
j'ai commandé en remplacement, un filtre a sable 200µ.
je pense aussi que la pompe est un peut basse dans le puits, je vais la remonter d'1 mètre.( profondeur du puits 16m le bas de la pompe et a 12m )
pour la commande de la pompe de puits 30 seconde avant le démarrage du compresseur, je suppose que la PAC gère ce démarrage ???
en sécurité supplémentaire, je pense monter sur l'entrée d'eau échangeur coté nappe un contrôleur de débit a palette ( matériel Jetly) asservi a la PAC.
concernant le CI, je bosse dans une Ste d'elec, je me suis fais un devis matériel et main d'œuvre.
a bientôt
pour le filtre, l'eau est un peut boueuse au démarrage de la pompe, j'ai également du sable fin qui me colmate le filtre a tamis malle 3/10.
j'ai commandé en remplacement, un filtre a sable 200µ.
je pense aussi que la pompe est un peut basse dans le puits, je vais la remonter d'1 mètre.( profondeur du puits 16m le bas de la pompe et a 12m )
pour la commande de la pompe de puits 30 seconde avant le démarrage du compresseur, je suppose que la PAC gère ce démarrage ???
en sécurité supplémentaire, je pense monter sur l'entrée d'eau échangeur coté nappe un contrôleur de débit a palette ( matériel Jetly) asservi a la PAC.
concernant le CI, je bosse dans une Ste d'elec, je me suis fais un devis matériel et main d'œuvre.
a bientôt
- nappe phreatique
- Resp. Section

- Messages : 2383
- Enregistré le : mer. déc. 21, 2005 1:16 pm
- Localisation : 63
- Travaillez-vous dans le domaine des énergies ou du chauffage : Non
couff a écrit :bonsoir,
pour le filtre, l'eau est un peut boueuse au démarrage de la pompe, j'ai également du sable fin qui me colmate le filtre a tamis malle 3/10.
j'ai commandé en remplacement, un filtre a sable 200µ.
je pense aussi que la pompe est un peut basse dans le puits, je vais la remonter d'1 mètre.( profondeur du puits 16m le bas de la pompe et a 12m )
pour la commande de la pompe de puits 30 seconde avant le démarrage du compresseur, je suppose que la PAC gère ce démarrage ???
en sécurité supplémentaire, je pense monter sur l'entrée d'eau échangeur coté nappe un contrôleur de débit a palette ( matériel Jetly) asservi a la PAC.
concernant le CI, je bosse dans une Ste d'elec, je me suis fais un devis matériel et main d'œuvre.
a bientôt
Si il est visible que l'eau est boueuse à chaque démarage, c'est que le taux de particules en suspention est vraiment élevé
Il faudra surveiller attentivement le filtre, il y aura peut etre une amélioration au fil du temps.
Ton filtre actuel est un 300 µm (3/10 de mm), passer au 200 µ améliorera la filtration, du coup, il se colmatera un peu plus vite. En principe, sur les filtres cycloniques, le sable est poussé sur les paroies et tobe par gravité au fond du filtre (doté d'une purge) alors que les argilles restent collées sur le tamis et l'obstruent petit à petit.
La PAC gère bien le démarrage avancé du circulateur primaire, plusieurs dixaines de secondes avant le compresseur, bien sur !
Le contrôle de débit n'est pas necessaire, c'est une fausse bonne idée car on introduit ainsi des pertes de charges supplémentaires dans le circuit (souvent pas négligeable avec les débitmètres).
La solution la plus astucieuse pour la sécurité de la PAC est d'utiliser la température mini sur le circuit primaire (eau glycolée) : faire en sorte que la PAC coupe si la T départ eau glycolée passe en dessous de 2°C par exemple. C'est exactement la meêm chose que de contrôler le débit, car débit et delta T primaire sont intimement liés.
Pour le CI, il faut une facture, et non un devis (!!!)
Il faut avoir une facture de la société en question et justifier d'une MO non négligeable.
-
Amicalement,
François
Double PAC O/O Nibe
http://www.chaleurterre.com/wiki/doku.p ... phreatique
Bureau d’Étude spécialisé dans la rénovation chauffage des grandes demeures.
Amicalement,
François
Double PAC O/O Nibe
http://www.chaleurterre.com/wiki/doku.p ... phreatique
Bureau d’Étude spécialisé dans la rénovation chauffage des grandes demeures.
- nappe phreatique
- Resp. Section

- Messages : 2383
- Enregistré le : mer. déc. 21, 2005 1:16 pm
- Localisation : 63
- Travaillez-vous dans le domaine des énergies ou du chauffage : Non
C'est une question qui revient souvent, il semble que plus que la hauteur de la pompe dans le puits, au dessus du fond ou en dessous du niveau hydrodynamique, c'est la position par rapport à la crépine du tubage qui compte.RV45 a écrit :Et bien voila remonte ta pompe elle doit etre un ou deux mettre sous le niveau de l'eau
La pompe ne doit (de preference) pas etre en face de la zone crépine du tubage, pour ne pas favoriser le passage en ligne droite des particules depuis l'exterieur du tubage jusque dans la pompe.
En forçant l'eau pompée à decrire un virage à 90° dans le tubage (en positionnant la pompe au dessus de la crépine du tubage), une bonne partie des particules, plus dense, sort des lignes de courant de l'eau et de ce fait n'est pas pompée vers le filtre.
Dans les zones comme chez toi, RV, le niveau hydrodynamique est presque identique au niveau hydrostatique, chez moi, il y à 50 cm à 1 m entre ces deux niveaux, dans certains cas, il peut y avoir beaucoup plus, et c'est suceptible de varier en fonction du niveau de la nappe phré, bref, se laisser un peu de marge sous le niveau hydrodynamique peut dans certains cas etre judicieux (grosse différence entre niveau statique et dynamique).
-
Amicalement,
François
Double PAC O/O Nibe
http://www.chaleurterre.com/wiki/doku.p ... phreatique
Bureau d’Étude spécialisé dans la rénovation chauffage des grandes demeures.
Amicalement,
François
Double PAC O/O Nibe
http://www.chaleurterre.com/wiki/doku.p ... phreatique
Bureau d’Étude spécialisé dans la rénovation chauffage des grandes demeures.
-
couff
- Assidu

- Messages : 52
- Enregistré le : sam. juil. 26, 2008 8:24 pm
- Localisation : 38119 PIERRE CHATEL
- Travaillez-vous dans le domaine des énergies ou du chauffage : Non
Bonsoir,
merci pour les infos,
concernant mon devis, il sera effectivement traduit en facture a la fin des travaux, pour le circuit d'eau entre la PAC et l'échangeur faut il mieux de l'eau glycolé ou de l'eau simple ??
sachant que l'échangeur se trouve dans mon garage donc hors gel.
il me semble que les 2 premiers Tubes de 3m de mon forage, sont des tubes crépine, le bas de ma pompe ce trouve a 12m, si je la remonte de 2m je ne serais plus en face de la crépine.
j'ai un peu de marge car le niveau dynamique ce trouve a 7m. j'ai également posé une sonde manque d'eau au cas ou.
a bientôt
merci pour les infos,
concernant mon devis, il sera effectivement traduit en facture a la fin des travaux, pour le circuit d'eau entre la PAC et l'échangeur faut il mieux de l'eau glycolé ou de l'eau simple ??
sachant que l'échangeur se trouve dans mon garage donc hors gel.
il me semble que les 2 premiers Tubes de 3m de mon forage, sont des tubes crépine, le bas de ma pompe ce trouve a 12m, si je la remonte de 2m je ne serais plus en face de la crépine.
j'ai un peu de marge car le niveau dynamique ce trouve a 7m. j'ai également posé une sonde manque d'eau au cas ou.
a bientôt
-
couff
- Assidu

- Messages : 52
- Enregistré le : sam. juil. 26, 2008 8:24 pm
- Localisation : 38119 PIERRE CHATEL
- Travaillez-vous dans le domaine des énergies ou du chauffage : Non
bonjour,
Après un p'tit café de bon matin
,
pour l'eau glycolé, il faut que bouquine la doc nibe, sauf si francois connais déjà la réponse, PAC 1240 12.2S pour mémoire pour le moment je vais finir la parti chauffage sur la PAC et remonter si le temps ne vire pas a la pluie ma pompe d'1 bon mètre.
normalement je reçois le filtre a sable lundi, après c'est la mise en service oulala !!
a bientôt
Après un p'tit café de bon matin
pour l'eau glycolé, il faut que bouquine la doc nibe, sauf si francois connais déjà la réponse, PAC 1240 12.2S pour mémoire pour le moment je vais finir la parti chauffage sur la PAC et remonter si le temps ne vire pas a la pluie ma pompe d'1 bon mètre.
normalement je reçois le filtre a sable lundi, après c'est la mise en service oulala !!
a bientôt
-
couff
- Assidu

- Messages : 52
- Enregistré le : sam. juil. 26, 2008 8:24 pm
- Localisation : 38119 PIERRE CHATEL
- Travaillez-vous dans le domaine des énergies ou du chauffage : Non
salut,
j'ai remonté ma pompe de puits de 2.7m, malheureusement j'ai toujours de la boue au démarrage pendant -/+ 30 seconde après elle redevient clair.
j'ai bouquiné la doc Nibe, rien n'est inscrit concernant le raccordement de la pompe de puits.
( doc fourni avec la PAC:code 031135, 031203 et 031204 )
Rien non plus sur le réglage du temps décalé de démarrage compresseur PAC ( bien utile si je peu faire un bipass via 2 électrovannes pendant les 45 seconde de boue ( voir schéma) ça réglerait mon problème.
pour le remplissage du circuit échangeur - PAC, la doc montre le montage d'une pompe en série sur le circuit, je pense que cela concerne les capteurs horizontaux.
a bientôt

j'ai remonté ma pompe de puits de 2.7m, malheureusement j'ai toujours de la boue au démarrage pendant -/+ 30 seconde après elle redevient clair.
j'ai bouquiné la doc Nibe, rien n'est inscrit concernant le raccordement de la pompe de puits.
Rien non plus sur le réglage du temps décalé de démarrage compresseur PAC ( bien utile si je peu faire un bipass via 2 électrovannes pendant les 45 seconde de boue ( voir schéma) ça réglerait mon problème.
pour le remplissage du circuit échangeur - PAC, la doc montre le montage d'une pompe en série sur le circuit, je pense que cela concerne les capteurs horizontaux.
a bientôt
