ventillateurs qui tournent en permanence au ralenti
-
herve62
- Assidu

- Messages : 53
- Enregistré le : jeu. nov. 18, 2010 11:21 am
- Localisation : 62550
- Travaillez-vous dans le domaine des énergies ou du chauffage : Non
ventillateurs qui tournent en permanence au ralenti
Bonjour a tous
Vu que la meteo n est pas tres clemente dans le nord,j ai donc decide de remettre en marche ma PAC (j avais profiter pendant l ete de la deplacer et d'ajouter un ballon tampon)
au premeier cycle pas de probleme tout va bien,mais a partir du 2eme apres l arret de la pompe les ventillo se mettent a tourner au ralenti par accoups et ne s arretent plus .comme si il restait une tension residuelle et il faut couper l alimentation complete pour qu il s arretent mais se remettent en route des l allumage !!!
aucune erreur n apparait et des que le thermostat se met en marche la pompe redemarre normalement avec les ventillos a grande vitesse.
etrange,je n ai pour l instant fait aucun test vu qu il fait nuit..
mais si quelqu un a une idee ...
Bonne reprise au forum
Vu que la meteo n est pas tres clemente dans le nord,j ai donc decide de remettre en marche ma PAC (j avais profiter pendant l ete de la deplacer et d'ajouter un ballon tampon)
au premeier cycle pas de probleme tout va bien,mais a partir du 2eme apres l arret de la pompe les ventillo se mettent a tourner au ralenti par accoups et ne s arretent plus .comme si il restait une tension residuelle et il faut couper l alimentation complete pour qu il s arretent mais se remettent en route des l allumage !!!
aucune erreur n apparait et des que le thermostat se met en marche la pompe redemarre normalement avec les ventillos a grande vitesse.
etrange,je n ai pour l instant fait aucun test vu qu il fait nuit..
mais si quelqu un a une idee ...
Bonne reprise au forum
PAC Chappee RO 12 MT mono releve chaudiere propane régul. K60D066Z
radiateur acier environ 13 Kw
maison 2005 120m2 plein pied
radiateur acier environ 13 Kw
maison 2005 120m2 plein pied
-
herve62
- Assidu

- Messages : 53
- Enregistré le : jeu. nov. 18, 2010 11:21 am
- Localisation : 62550
- Travaillez-vous dans le domaine des énergies ou du chauffage : Non
ventillateurs fous
je rajoute que je ne plus les arreter .
des la mise sous tension ils tournent au ralenti non stop...
si quelqu un peut m aider sur ce coup avant d appeler le SAV ce serait sympa
merci
des la mise sous tension ils tournent au ralenti non stop...
si quelqu un peut m aider sur ce coup avant d appeler le SAV ce serait sympa
merci
PAC Chappee RO 12 MT mono releve chaudiere propane régul. K60D066Z
radiateur acier environ 13 Kw
maison 2005 120m2 plein pied
radiateur acier environ 13 Kw
maison 2005 120m2 plein pied
-
bubus
- Scotché au forum

- Messages : 840
- Enregistré le : lun. août 22, 2011 12:21 pm
- Localisation : paca
- Travaillez-vous dans le domaine des énergies ou du chauffage : Non
bonjour
principe de fct pour diag:

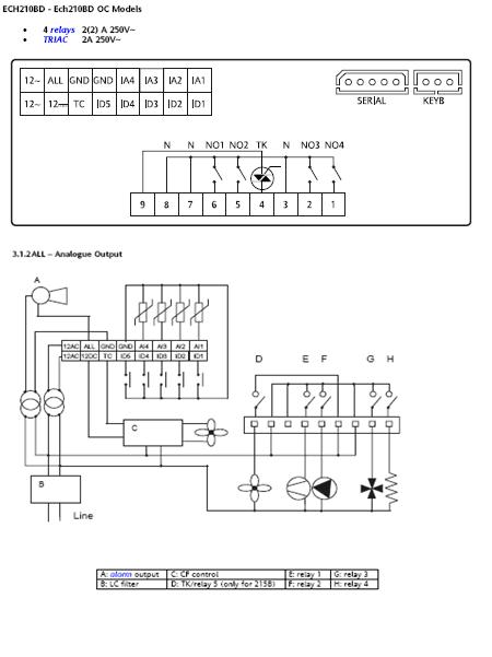
les ventilos sont pilotés par triac qui module puissance fournie aux ventils
la gâchette triac est pilotée par tension qui varie suivant les paramètres de ventil F015..F020 de l'ECH210BDT
il me semble que JLD82 a déjà eu un souci similaire et ça c'est terminé par chgt sous garantie du régul; hors garantie ,si tu bricoles avec minutie tu peux changer le triac du type BTA06 qui est dans le regul ECH ( < 2euros chez revendeur e-)
forte probabilite que pb sur triac mais aucune certitude (gros parapluie!!!)
en attente de lecture
principe de fct pour diag:

les ventilos sont pilotés par triac qui module puissance fournie aux ventils
la gâchette triac est pilotée par tension qui varie suivant les paramètres de ventil F015..F020 de l'ECH210BDT
il me semble que JLD82 a déjà eu un souci similaire et ça c'est terminé par chgt sous garantie du régul; hors garantie ,si tu bricoles avec minutie tu peux changer le triac du type BTA06 qui est dans le regul ECH ( < 2euros chez revendeur e-)
forte probabilite que pb sur triac mais aucune certitude (gros parapluie!!!)
en attente de lecture
-
herve62
- Assidu

- Messages : 53
- Enregistré le : jeu. nov. 18, 2010 11:21 am
- Localisation : 62550
- Travaillez-vous dans le domaine des énergies ou du chauffage : Non
merci pour ces explications
je pense que tu as raison mais je croyais que le triac etait sur la platine interface
c est pas sur quand meme pas sur que ce soit le triac car la pompe marche normalement ventillo compris mais a la fin du cycle les ventillos continuent non stop en vitesse reduite avec une tension de 150 V et impossible de les arreter.
la PAC est sous garantie donc pour la piece je pense qu ellle sera changee mais je suis oblige de passer par un reparateur agree
donc il faudra quand meme payer l intervention
merci
je pense que tu as raison mais je croyais que le triac etait sur la platine interface
c est pas sur quand meme pas sur que ce soit le triac car la pompe marche normalement ventillo compris mais a la fin du cycle les ventillos continuent non stop en vitesse reduite avec une tension de 150 V et impossible de les arreter.
la PAC est sous garantie donc pour la piece je pense qu ellle sera changee mais je suis oblige de passer par un reparateur agree
donc il faudra quand meme payer l intervention
merci
PAC Chappee RO 12 MT mono releve chaudiere propane régul. K60D066Z
radiateur acier environ 13 Kw
maison 2005 120m2 plein pied
radiateur acier environ 13 Kw
maison 2005 120m2 plein pied
-
jld82
- Scotché au forum

- Messages : 1570
- Enregistré le : lun. sept. 08, 2008 9:01 am
- Localisation : Tarn et Garonne
- Travaillez-vous dans le domaine des énergies ou du chauffage : Non
Bonjour
Effectivement mon régulateur a été changé sous garantie (panne récurrente à la mise en service et revenue 1an après (j'avais des LRAR signalant la non réparation de ce défaut initial : pas de ventilation alors que le compresseur tourne!!!).
Le compresseur a lâché dans la foulée : réparation entièrement prise en charge par Technibel (compresseur , fuides , ,M.O. et déplacement) : merci les lettres recommandées (il faut toujours se battre).
Le triac est dans l'ECH210 , si sous garantie (c'est la date qui figure sur l"attestation de mise en service" qui fait fois) fait le changer : 15 minutes de travail probablement facturée 1 heure ou + en incluant le trajet.
Garantie 1-2-3 Technibel sous réserve d'une "mise en service" agrée :
1iere année pièces , fluides , M.O. et déplacement
2ieme année pièces seulement
3ieme année compresseur uniquement
A+
Effectivement mon régulateur a été changé sous garantie (panne récurrente à la mise en service et revenue 1an après (j'avais des LRAR signalant la non réparation de ce défaut initial : pas de ventilation alors que le compresseur tourne!!!).
Le compresseur a lâché dans la foulée : réparation entièrement prise en charge par Technibel (compresseur , fuides , ,M.O. et déplacement) : merci les lettres recommandées (il faut toujours se battre).
Le triac est dans l'ECH210 , si sous garantie (c'est la date qui figure sur l"attestation de mise en service" qui fait fois) fait le changer : 15 minutes de travail probablement facturée 1 heure ou + en incluant le trajet.
Garantie 1-2-3 Technibel sous réserve d'une "mise en service" agrée :
1iere année pièces , fluides , M.O. et déplacement
2ieme année pièces seulement
3ieme année compresseur uniquement
A+
Maison 1980 110m2, EDF 9kw J/N Tri. , PAC air-eau 2008 Technibel PHR11-tri + régul. K60D066Z + ballon mélange 150l, relève FOD sur rad. fonte surdim. (33°/-5°) .
-
herve62
- Assidu

- Messages : 53
- Enregistré le : jeu. nov. 18, 2010 11:21 am
- Localisation : 62550
- Travaillez-vous dans le domaine des énergies ou du chauffage : Non
pour moi c est moins grave ils tournent en permanence mais l origine est sans doute identique.
je vais essayer de faire marcher la garantie.
autoinstallation mais mise en service par centre agree il y a 10 mois.
merci a tous
je vous informerais des la reparation effectuee
je vais essayer de faire marcher la garantie.
autoinstallation mais mise en service par centre agree il y a 10 mois.
merci a tous
je vous informerais des la reparation effectuee
PAC Chappee RO 12 MT mono releve chaudiere propane régul. K60D066Z
radiateur acier environ 13 Kw
maison 2005 120m2 plein pied
radiateur acier environ 13 Kw
maison 2005 120m2 plein pied
-
jld82
- Scotché au forum

- Messages : 1570
- Enregistré le : lun. sept. 08, 2008 9:01 am
- Localisation : Tarn et Garonne
- Travaillez-vous dans le domaine des énergies ou du chauffage : Non
Bonjour
Moi aussi c'est une auto-installation avec "Mise en Service" par entreprise frigoriste agréée prise dans la liste du site Technibel au plus près de mon domicile.
Tu es entièrement sous garantie si la "Mise en service" a été réalisée jusqu'à son terme , ce qui a donné lieu à une "Attestation de mise en service PAC" .
Tu dois avoir l'attestation en question , en haut à droite le N° de la dite attestation à utiliser auprès de Technibel. L'entreprise ayant fait cette mise en service est peut-être celle qui te fera le dépannage tu peux essayer là dans un 1ier temps.
Le mieux est un courrier simple à Technibel SAS BP 131 01601 Trévoux Cedex spécifiant ton PB et le N° de l'Attestation. Ils désigneront l'entreprise intervenante.
Téléphone au SAV ou email pour traçabilité. RESTE FERME pour un replacement du régulateur en garantie TOTALE !!!
En l'absence de réponse (2 semaines maxi) LRAR de relance.
A+
Moi aussi c'est une auto-installation avec "Mise en Service" par entreprise frigoriste agréée prise dans la liste du site Technibel au plus près de mon domicile.
Tu es entièrement sous garantie si la "Mise en service" a été réalisée jusqu'à son terme , ce qui a donné lieu à une "Attestation de mise en service PAC" .
Tu dois avoir l'attestation en question , en haut à droite le N° de la dite attestation à utiliser auprès de Technibel. L'entreprise ayant fait cette mise en service est peut-être celle qui te fera le dépannage tu peux essayer là dans un 1ier temps.
Le mieux est un courrier simple à Technibel SAS BP 131 01601 Trévoux Cedex spécifiant ton PB et le N° de l'Attestation. Ils désigneront l'entreprise intervenante.
Téléphone au SAV ou email pour traçabilité. RESTE FERME pour un replacement du régulateur en garantie TOTALE !!!
En l'absence de réponse (2 semaines maxi) LRAR de relance.
A+
Maison 1980 110m2, EDF 9kw J/N Tri. , PAC air-eau 2008 Technibel PHR11-tri + régul. K60D066Z + ballon mélange 150l, relève FOD sur rad. fonte surdim. (33°/-5°) .
-
herve62
- Assidu

- Messages : 53
- Enregistré le : jeu. nov. 18, 2010 11:21 am
- Localisation : 62550
- Travaillez-vous dans le domaine des énergies ou du chauffage : Non
bjr
Je n ai pas d attestation de mise en service
j ai juste la facture de mise en service par l entreprise agree Savelys avec les tests effectues
je les appelle des demain,j en serais plus
encore merci
a bientot
Je n ai pas d attestation de mise en service
j ai juste la facture de mise en service par l entreprise agree Savelys avec les tests effectues
je les appelle des demain,j en serais plus
encore merci
a bientot
PAC Chappee RO 12 MT mono releve chaudiere propane régul. K60D066Z
radiateur acier environ 13 Kw
maison 2005 120m2 plein pied
radiateur acier environ 13 Kw
maison 2005 120m2 plein pied
-
hd31
- Resp. Section

- Messages : 3358
- Enregistré le : dim. mars 18, 2007 12:21 pm
- Localisation : Toulouse
- Travaillez-vous dans le domaine des énergies ou du chauffage : Non
- Contact :
Sinon, l'échange du triac est une opération très simple, et autant en profiter pour en mettre un un peu plus solide.
Il suffit de démonter le régulateur, ça peut être plus rapide et moins cher que de se battre à coups de lettres recommandées. C'est en plus la bonne période, avant la remise en route du chauffage. Ca peut encore s'envisager en prenant en compte le temps d'acheminement par la Poste si personne à proximité ne peut le faire.
Faire marcher la garantie, c'est bien, mais ce n'est pas forcément le plus efficace.
Il suffit de démonter le régulateur, ça peut être plus rapide et moins cher que de se battre à coups de lettres recommandées. C'est en plus la bonne période, avant la remise en route du chauffage. Ca peut encore s'envisager en prenant en compte le temps d'acheminement par la Poste si personne à proximité ne peut le faire.
Faire marcher la garantie, c'est bien, mais ce n'est pas forcément le plus efficace.
-
herve62
- Assidu

- Messages : 53
- Enregistré le : jeu. nov. 18, 2010 11:21 am
- Localisation : 62550
- Travaillez-vous dans le domaine des énergies ou du chauffage : Non
bjr
je suis un peu de ton avis mais il faut etre sur que ce soit le triac ?si c est ca, c est de mon niveau ,sinon s attaquer aux aux autres composants me parrait un peu risque
le comportement des ventillos me laisse septique :tournent au ralenti avec 150V lorsque la PAC est a l arret ou en veille et tournent normalement quand le compresseur fonctionne .a l arret thermostatique arret de quelques seccondes puis retournent au ralenti
si le triac etait mort je pense que soit ils ne tourneraient plus ou au contraire tout le temps a grande vitesse
qu en penses tu?
je suis un peu de ton avis mais il faut etre sur que ce soit le triac ?si c est ca, c est de mon niveau ,sinon s attaquer aux aux autres composants me parrait un peu risque
le comportement des ventillos me laisse septique :tournent au ralenti avec 150V lorsque la PAC est a l arret ou en veille et tournent normalement quand le compresseur fonctionne .a l arret thermostatique arret de quelques seccondes puis retournent au ralenti
si le triac etait mort je pense que soit ils ne tourneraient plus ou au contraire tout le temps a grande vitesse
qu en penses tu?
PAC Chappee RO 12 MT mono releve chaudiere propane régul. K60D066Z
radiateur acier environ 13 Kw
maison 2005 120m2 plein pied
radiateur acier environ 13 Kw
maison 2005 120m2 plein pied
-
hd31
- Resp. Section

- Messages : 3358
- Enregistré le : dim. mars 18, 2007 12:21 pm
- Localisation : Toulouse
- Travaillez-vous dans le domaine des énergies ou du chauffage : Non
- Contact :
Je ne connais pas bien les modes de panne des triacs, j'aurais dit en court-circuit. Mais un triac commute de l'alternatif, il n'est pas impossible qu'il soit passant dans un sens. On aurait donc soit une alternance sur deux, et une vitesse au ralenti, soit les deux alternances, et une vitesse normale.
Modifié en dernier par hd31 le lun. sept. 12, 2011 6:53 pm, modifié 1 fois.
-
herve62
- Assidu

- Messages : 53
- Enregistré le : jeu. nov. 18, 2010 11:21 am
- Localisation : 62550
- Travaillez-vous dans le domaine des énergies ou du chauffage : Non
ton raisonnement me parait tout a fait plosible et je crois que je vais tenter le coup
quelqu un a til deja ouvert ce regulateur,le triac est il accessible et facilement dessoudable ,s agit il de composant de surface ?
j ai pas encore oser le demonter
je n ai pas trouver de photo ni plan sur le net
pour la garantie ,elle est uniquement sur les pieces pendant 1 an dixxit Baxi !! il aurait fallu que ce soit eux qui envoyent un technicien alors qu ils m ont dit l inverse l annee derniere..l ratatouille la mise en service !!
merci a tous
quelqu un a til deja ouvert ce regulateur,le triac est il accessible et facilement dessoudable ,s agit il de composant de surface ?
j ai pas encore oser le demonter
je n ai pas trouver de photo ni plan sur le net
pour la garantie ,elle est uniquement sur les pieces pendant 1 an dixxit Baxi !! il aurait fallu que ce soit eux qui envoyent un technicien alors qu ils m ont dit l inverse l annee derniere..l ratatouille la mise en service !!
merci a tous
PAC Chappee RO 12 MT mono releve chaudiere propane régul. K60D066Z
radiateur acier environ 13 Kw
maison 2005 120m2 plein pied
radiateur acier environ 13 Kw
maison 2005 120m2 plein pied
-
bubus
- Scotché au forum

- Messages : 840
- Enregistré le : lun. août 22, 2011 12:21 pm
- Localisation : paca
- Travaillez-vous dans le domaine des énergies ou du chauffage : Non
-
herve62
- Assidu

- Messages : 53
- Enregistré le : jeu. nov. 18, 2010 11:21 am
- Localisation : 62550
- Travaillez-vous dans le domaine des énergies ou du chauffage : Non
-
herve62
- Assidu

- Messages : 53
- Enregistré le : jeu. nov. 18, 2010 11:21 am
- Localisation : 62550
- Travaillez-vous dans le domaine des énergies ou du chauffage : Non
ca y est j ai demonte la bete ,c est sur que le plus difficile est de demonter le capot
sans abimer
dessouder le triac et tester:il est bien mort il laisse passer un peu de tension mais uniquement en 220 en continu 12v il parrait ok
en fait il est commander par un optocoupleur K3022
il ne reste plus qu a en acheter 1 et le remplacer pour essayer
bonne soiree
sans abimer
dessouder le triac et tester:il est bien mort il laisse passer un peu de tension mais uniquement en 220 en continu 12v il parrait ok
en fait il est commander par un optocoupleur K3022
il ne reste plus qu a en acheter 1 et le remplacer pour essayer
bonne soiree
PAC Chappee RO 12 MT mono releve chaudiere propane régul. K60D066Z
radiateur acier environ 13 Kw
maison 2005 120m2 plein pied
radiateur acier environ 13 Kw
maison 2005 120m2 plein pied
