probleme de régulation température LA11AS [résolu]

Répondre
Avatar du membre
VincentN
Modérateur
Modérateur
Messages : 3923
Enregistré le : mar. févr. 12, 2008 12:25 am
Localisation : Yvelines
Travaillez-vous dans le domaine des énergies ou du chauffage : Non

Message par VincentN »

BETconseil81 a écrit :+1 pour Vincent tu m'as eu !!! hi hi hi :lol: :lol: :lol:
Moi je m'en fout.
J'espère juste que ça adoucira tes propos concernant les autres marques qui commettent parfois elles aussi des erreurs dans leurs docs.
Tout comme cette erreur n'entache en rien la fiabilité du matériel Dimplex, ce n'est pas un l'utilisation d'un sigle "hors nomenclature" qui fait de tel ou tel fabricant un mauvais.

Quant à leur trouver des excuses, il y en a certainement. Mais au final, ce qui compte, c'est que cette erreur soit arrivée jusqu'à nous et cela prouve bien que personne n'est infaillible, que l'on est une baguette sous le bras ou un casque à pointe sur la tête :lol:
schilke60fr
Actif
Actif
Messages : 28
Enregistré le : dim. oct. 17, 2010 8:46 pm
Localisation : 60
Travaillez-vous dans le domaine des énergies ou du chauffage : Non

Message par schilke60fr »

Bonsoir a vous tous et merci pour votre aide ,
BETconseil81 a écrit :Ton installateur a un peu de boulot à mon avis pour te refaire ça aux normes !
Mon installation est en service depuis décembre 2006, et mon installateur a mis la clé sous la porte. Le phénomène décrit ci-dessus est observé depuis la remise en route cette année.

Vos remarques sur les clapets sont plus que judicieuse.
J’ai bien évidement vérifier si j’avais des clapets anti retour et… en effet j’ai des clapets. Voir ci-dessous.

Image


Mon schéma et en tout point similaire au schéma ci-dessous extrait de mon manuel d’origine (N° Réf 452158.68.03 DF8404)

Image


D’autre part dbercy fait allusion au manuel de conduite. J’ai donc jeté un œil sur la version que j’avais imprimé (version 2005), ou j’ai de nouveau un schéma avec une variante. Il y a en effet 2 clapets supplémentaires sur la PAC. Est-ce important ?

Image


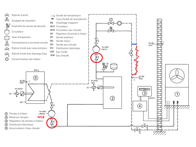
Aujourd’hui, a vous lire on comprend que DIMPLEX préconise un autre type de schéma hydraulique, voir plutôt 2.

Image
Image

10221020
1. Pompe à chaleur air/eau
2. Version universelle adaptée aux besoins de tous les
clients
3. Pompe à chaleur et appoint électrique
4. EC de désinfection thermique par PAC et cartouche
chauffante
5. Sans rafraîchissement
6. 1 circuit pour le chauffage de surface ou par radiateurs
7. Distributeur sans pression différentielle
8. Gestionnaire de PAC à régulation par température
extérieure

10211020
1. Pompe à chaleur air/eau
2. Version universelle adaptée aux besoins de tous les
clients
3. Pompe à chaleur et appoint électrique
4. EC de désinfection thermique par PAC et cartouche
chauffante
5. Sans rafraîchissement
6. 1 circuit pour le chauffage de surface ou par radiateurs
7. Vanne de trop-plein
8. Gestionnaire de PAC à régulation par température
extérieure

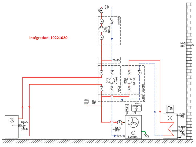
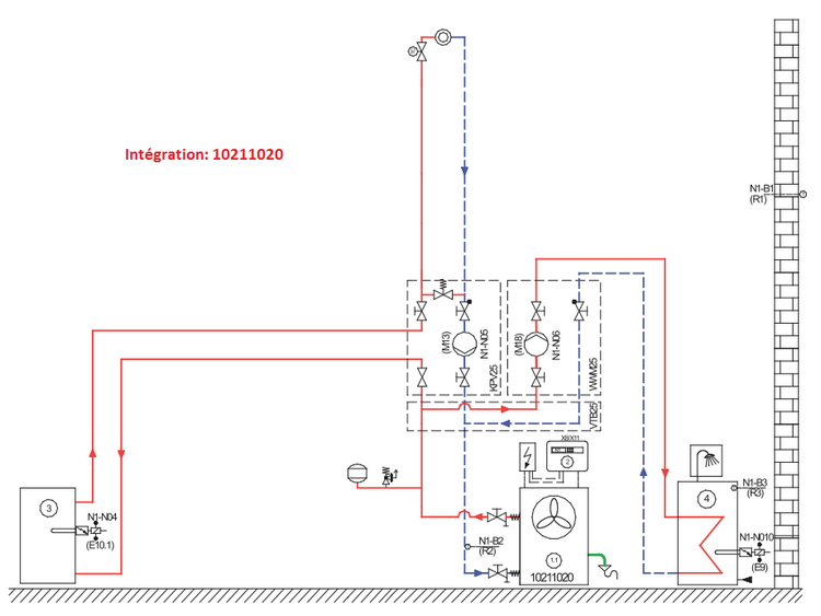
J’ai vraisemblablement une ancienne préconisation DIMPLEX qui ne correspond a aucun des 2 nouveaux schémas, mais qui malgré tout est équipé d’une soupape de trop plein. Il s'apparente donc plus au 10211020 avec une "Vanne de trop-plein" et non pas la version avec "Distributeur sans pression différentielle - "EB KPV - Module d'extension du distributeur compact (2,0 m³/h max.)", dont je ne connais pas la fonction!
Néanmoins, vous faite référence a ce 2ème schéma (10221020).
Quelle sont donc hydrauliquement parlant les différences?

Mon installation a fonctionné pendant plusieurs années malgré tout, et a part le 1er problème de régulation que j'ai résolu en déplaçant ma sonde de retour (suite a vos conseils), ça m'ennuyai de remettre en cause mon circuit hydraulique.

A l’issue de vos remarques sur ces fameux clapets pour lesquelles je ne soupçonnai même pas l’existence, je me demande si l’un d’entre eux ne déconnerai pas !!
Le clapet après le ballon tampon a suinté dans la mousse isolante, et sachant que mon problème (très épisodique) n’ai apparu que récemment (à la mise en route cette année), je me demande donc si le problème n’est pas la ! De la même façon je n’avais pas de filtre a boues, puisque je viens de l’installer suite aux conseils de dbercy. Le circuit est peut être pollué?
Qu’en pensez vous ?
PAC Dimplex Air/Eau LA11AS (2006)
BT Dimplex 200L PSW200
ECS Dimplex 300L WWSP332
Plancher chauffant RdC et Etage (163m²)
Avatar du membre
dbercy
Modérateur
Modérateur
Messages : 4951
Enregistré le : mar. déc. 25, 2007 11:08 am
Localisation : Yvelines
Travaillez-vous dans le domaine des énergies ou du chauffage : Non

Message par dbercy »

Bonjour

sur ton by pass, as tu une soupape différentielle comme indiquée sur les schémas? parce que si c'est juste un by pass sans soupape, les schémas le positionnent avant le circulateur chauffage et non après comme sur ton instal!

Les deux anti retour sortie de pac ne me semblent pas obligatoires.
Je suis à peu près dans la même config (ancienne) que toi, la différence avec la nouvelle c'est qu'au lieu d'un seul circulateur, ils ont réparti la charge avec 2 circulateurs (moins puissants) en amont et aval du réseau chauffage, avec un (double) by pass entre, ce qui a pour effet un équilibre et un débit constant pour la pac sans aucune influence lors de manipulations des robinets des radiateurs, et en cas de fermeture totale du circuit chauffage, le flux hydraulique passerait intégralement par le by pass!

l'ancien schéma est souvent pourvu d'une soupape différentielle pour effectuer ce travail de by pass en cas de fermeture du circuit chauffage.

Pour en revenir à ton problème qui perdure, il serait peut être intéressant de voir si le problème n'apparait que lors de la demande ecs, as tu mis un blocage de l'ecs et donc une autorisation uniquement la nuit pour l'ecs, histoire de voir si le problème apparait dans la journée, cela permettrait d'isoler l'ecs ou de confirmer!
schilke60fr
Actif
Actif
Messages : 28
Enregistré le : dim. oct. 17, 2010 8:46 pm
Localisation : 60
Travaillez-vous dans le domaine des énergies ou du chauffage : Non

Message par schilke60fr »

Bonsoir dbercy,
dbercy a écrit :sur ton by pass, as tu une soupape différentielle comme indiquée sur les schémas?
J'ai exactement ce qu'il y a dessous. On lit:
http://www.sider.biz a écrit :Soupape de pression differentielle Comap:
* Réglable de 0,1 à 0,5 bar avec affichage.
* Pose sur le départ, après le circulateur, en by-pass avec le retour.
* Arrivée et départ femelle 3/4'', mâle 1''.
* Livré avec un raccord écrou 1'', douille mâle 3/4''.
* Indispensable en cas d'installation uniquement avec des robinets thermostatiques.

http://www.sider.biz/produit/soupape-de ... .3288.html
Image
http://www.sider.biz a écrit : * Pose sur le départ, après le circulateur, en by-pass avec le retour.
Il semblerait donc que ce soit conforme?
Elle est réglé sur 0.3 chez moi. Je ne sais pas si conforme?
dbercy a écrit :Pour en revenir à ton problème qui perdure, il serait peut être intéressant de voir si le problème n'apparait que lors de la demande ecs, as tu mis un blocage de l'ecs et donc une autorisation uniquement la nuit pour l'ecs, histoire de voir si le problème apparait dans la journée, cela permettrait d'isoler l'ecs ou de confirmer!
Idée intéressante en effet. Je n'ai jamais pensé a une quelconque utilité de cette fonction. J'essaierai...

Autre question puisque l'on est sur l'ECS.
Je n'ai jamais trouvé de paramétrage pour le mode anti-légionellose que vous semblez évoqué sur d'autres pages. Est ce un problème de version de régul? A moins que j'ai loupé la ligne dans le manuel.
PAC Dimplex Air/Eau LA11AS (2006)
BT Dimplex 200L PSW200
ECS Dimplex 300L WWSP332
Plancher chauffant RdC et Etage (163m²)
Avatar du membre
dbercy
Modérateur
Modérateur
Messages : 4951
Enregistré le : mar. déc. 25, 2007 11:08 am
Localisation : Yvelines
Travaillez-vous dans le domaine des énergies ou du chauffage : Non

Message par dbercy »

schilke60fr a écrit : Autre question puisque l'on est sur l'ECS.
Je n'ai jamais trouvé de paramétrage pour le mode anti-légionellose que vous semblez évoqué sur d'autres pages. Est ce un problème de version de régul? A moins que j'ai loupé la ligne dans le manuel.
bonjour,

je pense que oui, c'est un problème de version, tu peux lire ta version dans les parametres d'exploitation: H..
moi je suis en version H52 qui a été installée après la mise en route et au départ je n'avais effectivement pas cette programmation me semble t'il!

concernant ta soupape différentielle, ça semble correct et le positionnement est donc bon.
schilke60fr
Actif
Actif
Messages : 28
Enregistré le : dim. oct. 17, 2010 8:46 pm
Localisation : 60
Travaillez-vous dans le domaine des énergies ou du chauffage : Non

Message par schilke60fr »

Bonsoir,

Ma machine s'est de nouveau mise a déconner ce matin. La PAC était en mode "production d'ECS" sans demande de chauffage.
J'ai fait quelque mesure de T° sur les raccords, et il semble bien que l'eau chaude produite pour l'ECS retourne bien par le retour de mes planchers chauffants et non par le bypass.
J'en déduis finalement que mon clapet anti-retour après le ballon tampon ne dois pas fonctionner correctement.
J'ai mis un coup de marteau sur le sur clapet et j'ai étendu comme un "coup de bélier", puis tout s'est remis a fonctionner normalement.

Demain je fais le nécessaire pour changer le clapet. Je verrais bien....
dbercy a écrit :
schilke60fr a écrit :Autre question puisque l'on est sur l'ECS.
Je n'ai jamais trouvé de paramétrage pour le mode anti-légionellose que vous semblez évoqué sur d'autres pages. Est ce un problème de version de régul? A moins que j'ai loupé la ligne dans le manuel.
bonjour,

je pense que oui, c'est un problème de version, tu peux lire ta version dans les paramètres d'exploitation: H..
moi je suis en version H52 qui a été installée après la mise en route et au départ je n'avais effectivement pas cette programmation me semble t'il!
J'ai verifier ma version de soft de ma WPM 2004 plus, en effet:
Regulateur chauffN01
Prg.V.:WPM_H_H46
BOOT: 0301 BIOS:0345

Et j'ai trouvé dans le manuel WPM 2006/2007:
Image
Ce qui correspond visiblement a une évolution de la régul, puisque je n'ai pas ces paramètres. Dommage.... Quoique!!! Est-ce nécessaire ou indispensable?

Autre point:
Je n'ai toujours pas compris la différence entre les 2 "nouveaux" circuits Dimplex:
  1. 10211020 avec une "Vanne de trop-plein"
  2. 10221020 avec "Distributeur sans pression différentielle - "EB KPV - Module d'extension du distributeur compact (2,0 m³/h max.)"
Je vous tiens au courant.
PAC Dimplex Air/Eau LA11AS (2006)
BT Dimplex 200L PSW200
ECS Dimplex 300L WWSP332
Plancher chauffant RdC et Etage (163m²)
Avatar du membre
dbercy
Modérateur
Modérateur
Messages : 4951
Enregistré le : mar. déc. 25, 2007 11:08 am
Localisation : Yvelines
Travaillez-vous dans le domaine des énergies ou du chauffage : Non

Message par dbercy »

schilke60fr a écrit : Autre point:
Je n'ai toujours pas compris la différence entre les 2 "nouveaux" circuits Dimplex:
  1. 10211020 avec une "Vanne de trop-plein"
  2. 10221020 avec "Distributeur sans pression différentielle - "EB KPV - Module d'extension du distributeur compact (2,0 m³/h max.)"
.
les schémas me semblent assez explicites:
dans le cas 10221020, il y a 2 circulateurs en amont et en aval d'un bypass direct donc le débit sera parfaitement constant et totalement indépendant de la demande dans le réseau de chauffage, le bypass faisant office de régulateur de débit et dans l'autre cas 10211020, (ton cas et mon cas) il n'y a qu'un seul circulateur avec le risque de modulation du débit dans le réseau de chauffage ce qui n'est pas très bon pour le fonctionnement de la pac, le différentiel étant là pour palier à tout risque de réduction fort du débit dans le réseau chauffage, il agit un peu comme un fusible à l'envers, il devient bypass, mais il me semble que l'autre config est plus équilibrée et sécurisante!
schilke60fr
Actif
Actif
Messages : 28
Enregistré le : dim. oct. 17, 2010 8:46 pm
Localisation : 60
Travaillez-vous dans le domaine des énergies ou du chauffage : Non

Message par schilke60fr »

Bonsoir à vous tous,

Ma machine a encore déconnée ce matin. Elle était de nouveau en mode "production ECS".

Peu importe, j'ai fait l'opération prévue... J'ai donc changer mon clapet (celui après le ballon tampon).
Je ne sais pas encore si cela peut être la source de mes problèmes, mais il est fort probable que ce fameux clapet soit en cause.
Voyez plutôt:

Image

Il y a une large gorge sur la tige guide du clapet. En le manœuvrant, et si l'on applique une contrainte radiale, on sent en effet un blocage. Mais bon, il reviens malgré tout.

Il ne me reste une nouvelle fois à observer si le phénomène se produit de nouveau. Je reste prudent...

J'imagine que le clapet sur l'ECS est dans le même état. Je pense que l'incidence est moindre, mais peut tout aussi bien causer des problèmes. Je le changerai donc le we prochain. Pour 6.10€, ça ne mange pas de pain....

A suivre...

PS: Merci pour tes lumières dbercy concernant l'explication des 2 types de circuits.
Modifié en dernier par schilke60fr le dim. janv. 30, 2011 9:07 pm, modifié 3 fois.
PAC Dimplex Air/Eau LA11AS (2006)
BT Dimplex 200L PSW200
ECS Dimplex 300L WWSP332
Plancher chauffant RdC et Etage (163m²)
Avatar du membre
dbercy
Modérateur
Modérateur
Messages : 4951
Enregistré le : mar. déc. 25, 2007 11:08 am
Localisation : Yvelines
Travaillez-vous dans le domaine des énergies ou du chauffage : Non

Message par dbercy »

schilke60fr a écrit : Il y a une large gorge sur la tige guide du clapet. En le manœuvrant, et si l'on applique une contrainte radiale, on sent en effet un blocage. Mais bon, il reviens malgré tout.
Cette gorge sur la tige centrale est creusée par l'usure ou bien est ce d'origine??
elle peut créer une retenue empêchant le clapet de revenir!
schilke60fr
Actif
Actif
Messages : 28
Enregistré le : dim. oct. 17, 2010 8:46 pm
Localisation : 60
Travaillez-vous dans le domaine des énergies ou du chauffage : Non

Message par schilke60fr »

dbercy a écrit :
schilke60fr a écrit :Il y a une large gorge sur la tige guide du clapet. En le manœuvrant, et si l'on applique une contrainte radiale, on sent en effet un blocage. Mais bon, il reviens malgré tout.
Cette gorge sur la tige centrale est creusée par l'usure ou bien est ce d'origine??
elle peut créer une retenue empêchant le clapet de revenir!
C'est bien une usure a mi-course du clapet. La course maxi, va au delà de la gorge.
On peut en effet imaginer que celle ci "bloque" le clapet ouvert.

Pour user il faut qu'il y ai frottement, mais de telle façon on peut imaginer que le clapet se met en vibrations! Pourquoi? Ça c'est une autre question? Vitesse du circulateur trop importante,...?
Modifié en dernier par schilke60fr le lun. avr. 11, 2011 12:04 am, modifié 2 fois.
PAC Dimplex Air/Eau LA11AS (2006)
BT Dimplex 200L PSW200
ECS Dimplex 300L WWSP332
Plancher chauffant RdC et Etage (163m²)
schilke60fr
Actif
Actif
Messages : 28
Enregistré le : dim. oct. 17, 2010 8:46 pm
Localisation : 60
Travaillez-vous dans le domaine des énergies ou du chauffage : Non

Message par schilke60fr »

Bonsoir a tous,

Je remercie toutes les personnes qui ont contribuées à solutionner mon (mes) problème(s), et en particulier dbercy qui a été fidèle a mes déboires.

Depuis ma dernière intervention (±1 mois), je n'ai absolument plus de souci. J'ai mis la vitesse du circulateur sur 2 (initialement 3, delta ±5/6°C). Peut-être étais ce la cause de l'usure de mon clapet (vitesse fluide = mise en vibration)!

En tous cas j'ai beaucoup appris sur cet excellent forum, et serais maintenant en mesure de me débrouiller seul. Je crois....

Merci à vous tous.
PAC Dimplex Air/Eau LA11AS (2006)
BT Dimplex 200L PSW200
ECS Dimplex 300L WWSP332
Plancher chauffant RdC et Etage (163m²)
Avatar du membre
dbercy
Modérateur
Modérateur
Messages : 4951
Enregistré le : mar. déc. 25, 2007 11:08 am
Localisation : Yvelines
Travaillez-vous dans le domaine des énergies ou du chauffage : Non

Message par dbercy »

:P heureux pour toi schilke60fr, et n'hésites pas si tu as des interrogations, nous essayerons de répondre!
Répondre

Retourner vers « DIMPLEX »