Le plagiat est strictement interdit et lourdement sanctionnéBETconseil81 a écrit : Je me Alain30ise je mets des![]()
![]()
![]()
![]()
![]()
![]()
![]()
![]()
![]()
![]()
PARTOUT o'secours
Nouveautés Dimplex 2011
- alain30
- VIP Chaleurterre

- Messages : 2932
- Enregistré le : lun. oct. 27, 2008 1:20 pm
- Localisation : 30 Salindres
- Travaillez-vous dans le domaine des énergies ou du chauffage : Non
- Contact :
- BETconseil81
- Scotché au forum

- Messages : 542
- Enregistré le : ven. avr. 09, 2010 11:38 am
- Localisation : Albi - Tarn 81
- Travaillez-vous dans le domaine des énergies ou du chauffage : Non
- BETconseil81
- Scotché au forum

- Messages : 542
- Enregistré le : ven. avr. 09, 2010 11:38 am
- Localisation : Albi - Tarn 81
- Travaillez-vous dans le domaine des énergies ou du chauffage : Non
Coucou tout le monde,
Quelques données sur les nouvelles géothermies Dimplex : SI _ TU :
Voici pour la SI 14 TU par exemple :
B0/W35 Normalisé
Puissance Calorifique : 14 Kw
Puissance Absorbée : 2.8 Kw
COP : 5
B10/W35 (sur sondes verticales)
Puissance Calorifique : 18.3 Kw
Puissance Absorbée : 2.8 Kw
COP : 6.54
C'est assez monstrueux comme COP !!!
J'attends avec impatience les courbes de la WI 14 TU ...
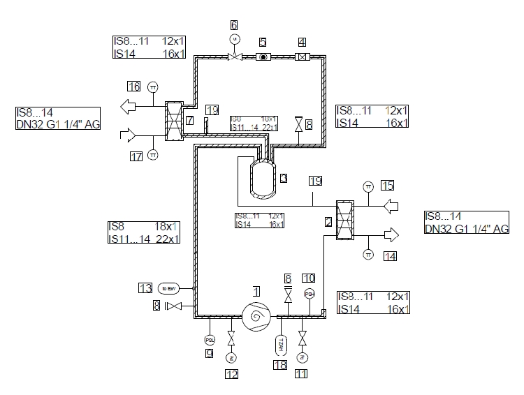
La nouvelle notice de la SI8TU / SI11TU / SI14Tu est téléchargeable ici :
http://www.dimplex.de/media/Montageanwe ... -gb-fr.pdf
Bonne soirée à tous,
BET
Quelques données sur les nouvelles géothermies Dimplex : SI _ TU :
Voici pour la SI 14 TU par exemple :
B0/W35 Normalisé
Puissance Calorifique : 14 Kw
Puissance Absorbée : 2.8 Kw
COP : 5
B10/W35 (sur sondes verticales)
Puissance Calorifique : 18.3 Kw
Puissance Absorbée : 2.8 Kw
COP : 6.54
C'est assez monstrueux comme COP !!!
J'attends avec impatience les courbes de la WI 14 TU ...
La nouvelle notice de la SI8TU / SI11TU / SI14Tu est téléchargeable ici :
http://www.dimplex.de/media/Montageanwe ... -gb-fr.pdf
Bonne soirée à tous,
BET
L'idiot est celui qui réitère sans cesse les mêmes actes en pensant avoir un résultat différent à chaque fois. (A. Einstein)
- VincentN
- Modérateur

- Messages : 3923
- Enregistré le : mar. févr. 12, 2008 12:25 am
- Localisation : Yvelines
- Travaillez-vous dans le domaine des énergies ou du chauffage : Non
BETconseil81 a écrit :B10/W35 (sur sondes verticales)
Puissance Calorifique : 18.3 Kw
Puissance Absorbée : 2.8 Kw
COP : 6.54
C'est assez monstrueux comme COP !!!
C'est lunaire comme COP.
Et ça tourne à quoi comme FF ???
du Plutonium 410a
Et on a une idée du prix de ce joli bébé ? (fourchette tout au moins).
- BETconseil81
- Scotché au forum

- Messages : 542
- Enregistré le : ven. avr. 09, 2010 11:38 am
- Localisation : Albi - Tarn 81
- Travaillez-vous dans le domaine des énergies ou du chauffage : Non
Puissance absorbée avec pompe primaire (source) comme d'habitude chez Dimplex.RV45 a écrit :Bonjour,
Il faut aussi connaitre le débit d'eau nécessaire pour obtenir un cop pareil et regarder la consommation de la pompe de puits correspondante. Il y a Waterkotte qui pratique comme cela. On donne les meilleurs conditions possibles mais elles sont tout en étant très bonne en grande partie relative car elles tiennent pas compte de la conso électrique de la pompe de forage ou du circulateur du circuit primaire.
Toutefois il est louable pour les marques de nous faire des pacs vraiment performantes. Il ne reste plus qu'elles soient commercialisés avec des prix aussi très performants!
Et surtout COP réduit par la EN14511-2 avec un DT de 5K sur condenseur.
Pour le prix, elle est 500 € plus chére que sa petite sœur : la SI14TE.
Fluide Frigo : R410A / 4,4 Kg
Huile : Polyolester (POE) / 1,2 Kg
Débit source : 3,4 m3/h
Gros avantage aussi : Exploitation possible jusqu'à une température d'entrée de l'eau glycolée de +35 °C. À une température de l'eau glycolée comprise entre +25 °C et +35 °C, température départ décroissante de 62 °C à 55 °C.
Pour ceux qui vivent près d'une source de chaleur très chaude, comme les stations thermales.
Plus besoin de V3V pour bypasser la source ... enfin presque si l'eau arrive à 50°C.
la notice est téléchargeable sur le site, j'ai eu l'info Vendredi dernier.
BET
L'idiot est celui qui réitère sans cesse les mêmes actes en pensant avoir un résultat différent à chaque fois. (A. Einstein)
- BETconseil81
- Scotché au forum

- Messages : 542
- Enregistré le : ven. avr. 09, 2010 11:38 am
- Localisation : Albi - Tarn 81
- Travaillez-vous dans le domaine des énergies ou du chauffage : Non

