PAC Dimplex et solaire

Répondre
Avatar du membre
le bearnais
Accro
Accro
Messages : 248
Enregistré le : mar. janv. 24, 2006 8:42 am
Localisation : Béarn
Travaillez-vous dans le domaine des énergies ou du chauffage : Non

PAC Dimplex et solaire

Message par le bearnais »

Bonjour,

Je vais installer cet été une PAC Dimplex air/eau LA16MS avec production ECS.
Je souhaiterai plus tard installer des panneaux solaire en complément de ma PAC.

Est-ce que le ballon ECS Dimplex WWSP332 (300L) ou WWSP880 (400L) peuvent-il être accouplé à des panneaux solaire ?

Y-a-t-il des forumeurs qui ont couplé leur PAC avec du solaire ?

A+
PAC Dimplex Air/Eau LA16AS
BT Dimplex 200L PSW200
ECS Dimplex 400L WWSP880
Plancher chauffant RdC et Etage
Avatar du membre
babar
Resp. Section
Resp. Section
Messages : 3252
Enregistré le : jeu. févr. 15, 2007 1:25 pm
Localisation : Brest
Travaillez-vous dans le domaine des énergies ou du chauffage : Non
Contact :

Message par babar »

Non impossible de raccorder avec ces ballon là car il n'y a pas d'échangeur supplémentaire. Par contre DIMPLEX dispose dans son catalogue d'un ballon combiné
solaire avec appoint ECS par le solaire. C'est le PWD 750.
Il n'est cependant, selon moi, pas idéal pour du préchauffage ECS solaire. Je préconise de passer par un ballon solaire indépendant avec éventuellement un échangeur supplémentaire pour faire un appoint par la pac.
On va pas commencer à économiser l'énergie sinon les écolo vont se frotter les mains. (H.Simpson)
ENERVERT
Assidu
Assidu
Messages : 34
Enregistré le : lun. déc. 17, 2007 9:42 pm
Travaillez-vous dans le domaine des énergies ou du chauffage : Non

PAC Dimplex et solaire

Message par ENERVERT »

Bonjour le bearnais,

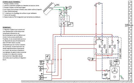
il est possible de pouvoir combiner une PAC dimplex chauffage et ECS avec du solaire, tu peux même faire le complément chauffage si tu as du plancher chauffant avec le mode régénératif sur la régul 2007.
Image
Avatar du membre
babar
Resp. Section
Resp. Section
Messages : 3252
Enregistré le : jeu. févr. 15, 2007 1:25 pm
Localisation : Brest
Travaillez-vous dans le domaine des énergies ou du chauffage : Non
Contact :

Message par babar »

Oui effectivement, il est envisageable de passer par cette configuration mais le rendement du solaire n'aura rien à voir, je pense, avec un vrai ballon solaire. Sur le ballon ECS dimplex le serpentin est déployé sur toute le hauteur du ballon, donc pas terrible pour du solaire :?
On va pas commencer à économiser l'énergie sinon les écolo vont se frotter les mains. (H.Simpson)
Répondre

Retourner vers « DIMPLEX »