voici les nouvelles gamme de PAC. toujours plus puissant et performant.
nouveaux régulateur.
- compteur d'énergies de series.
- capteur de pression frigorifiques.
- ventilateur 8 pales (abaissement de 10 db par rapport à la gamme LA.( c.a.d deux fois moins de bruit, avis aux amateurs )
- Caisson du compresseur insonorisé avec découplage des bruits de structure.
- évaporateur haut rendement.
tout cela pour atteindre des COP de 4.8 (a7/w35) // 3.1 (-7/w35)
C'est la LA 35 TUR+ n'est ce pas ? Elle est grosse ! et 14/24kW, ouah c'est pas pour ma petite maison !
C'est quoi ce fluide R417A ?
T'as pas d'autres performances ?
Tu connais le prix ?
il y a 5 nouvelles PAC la LA 9-12 TU en mono-compresseur, LA 17-25-40TU bi-compresseur.
Ensuite LA 35TUR +, est une nouvelle PAC avec un brevet déposé. elle est capable de faire du chauffage à 65°C jusqu'a -25°c ext sans appoint electrique et le l'eau glacée à 7°C jusqu'à +45°C à l'extérieur simutanement.
ce petit bijoux que nous avons sous les yeux coûte dans les 24000HT.
le R417 est un gaz proche du R22.
avantage du R417 meilleure performance( meilleure COP), le compresseur travaille à des T°c plus baisse, Réduction en emission de CO²
Ah oui, le R417A est plus connu sous le nom de ISCEON 59, fluide de substitution du R22.
Tu as de la doc à mettre en ligne sur ces LA ? -25°C, j'ai vu cette limite mais +65°C à -25°C, t'es sur ?
Tu peux développer : qu'elle fasse de l'eau chaude et de l'eau froide en même temps ?
Par contre 72 dBA, ouah faut pas des voisins trop prêt !
Modifié en dernier par givais le mar. août 04, 2009 9:37 am, modifié 1 fois.
givais a écrit :
Tu peux développer : qu'elle fasse de l'eau chaude et de l'eau froide en même temps ?
lorsque que tu est en été, cette PAC est capable de récuperer les calories de ta maison soit par du plancher rafraichissant soit par des ventilo-convecteurs et de la ré-etuliser pour en faire soit de l'ECS, chauffer une piscine. ils ont rajouté une V4V sur la partie chauffage pour faire une inversion des flux afin d'augmenter les rendement.( pas con les allemand )
on retrouve cette technologie sur les LA11ASR-LA 16ASR-LI 11TER+-LI16TER+-SI30et 50TER+ (mais sans la V4V )
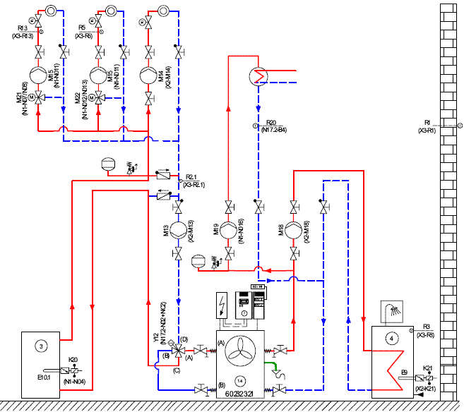
T'as pas un schéma ? Car je ne vois pas comment un échangeur qui fait du froid pour la maison peut aussi servir à faire du chaud pour l'ECS et la piscine...
C'est une option ?
OK, 2 beaux échangeurs. Les tuyauteries ne sont pas isolées alors qu'ils font du froid
Celui pour l'ECS est monté en désurchauffeur (on voit pas bien le reste du circuit frigo) ?
C'est laquelle de PAC, LA.. ??
Effectivement, je confirme que ces PAC au R417 sont des VRAIES pac haute température, c'est-à-dire sans résistance électrique et excellentes en production de chaud et de froid + d'ECS
DM ENERGIES (33), société française qui remporté le 1er trophée des énergies renouvelable au SIREME (Salon International des Énergies Renouvelables et de la Maîtrise de l’Énergie) pour sa gamme ECO (pac de 15KW à 120 KW : du particulier au tertiaire petit collectif), en fabrique et en commercialise (Exemple : MATARANKA ENERGY, Limas, 69).
J'en ai vu une installée dans un gîte du 69 et comme je m'intéresse au sujet (suis en géothermie avec une CIAT), j'ai posé des questions : incroyable ! Jamais, je n'aurai pensé qu'une telle surface pouvait être chauffée par une PAC air-eau (c'était une 50 kw). Et surtout, leur ecs ne leur coûte pratiquement rien puisque produite par la pac.
Et dans ces structures (gîtes, hôtels, campings,...), le poste ecs est énorme. Pas besoin de solaire pour faire de l'ecs par cher : la pac assure le chauffage (ce que le solaire ne fait pas) + production d'ecs !
Surtout intéressant quand ils font du frais en été : le chaud, au lieu d'être rejeté à l'extérieur, produit l'ecs.
Merci la planète ! Et retour sur investissement : 4 ans (ils ont payé 44ke pour leur 50kw, je crois).
Ils m'ont dit que, comme la pac dont vous parlez, là aussi, la température maximale de départ en mode chauffage est de 65°C (même par -20°C dehors !). La température maximale de stockage d'eau chaude sanitaire est de 95°C depuis l'échangeur non réversible.
bergerac pc a écrit : La température maximale de stockage d'eau chaude sanitaire est de 95°C depuis l'échangeur non réversible.
bonjour
merci pour ce témoignage, je ne pense pas que la température de l'ecs puisse atteindre 95° étant donné qu'avec un départ pac maxi de 65° on peut espérer 60° dans le ballon ecs.