Pompe a chaleur en reléve chaudiére

bubus
Scotché au forum
Scotché au forum
Messages : 840
Enregistré le : lun. août 22, 2011 12:21 pm
Localisation : paca
Travaillez-vous dans le domaine des énergies ou du chauffage : Non

Message par bubus »

bonsoir

envoi de Chane:

Image


salut
bubus
Scotché au forum
Scotché au forum
Messages : 840
Enregistré le : lun. août 22, 2011 12:21 pm
Localisation : paca
Travaillez-vous dans le domaine des énergies ou du chauffage : Non

Message par bubus »

bonjour

au vu du schéma,ton installateur n'alimente pas en électricité les 3 résistances
pour preuve pas d'alimentation 220V sur le bornier général

il n' a utilisé que la carte ACE qu'il alimente en 220V par le disjoncteur Q4, lui-même connecté directement à la PAC.

le câblage sur la carte ACE est conforme mais tjs des interrogations sur câblage KM1
Précise par rapport aux schémas suivant le câblage observé, car trop d'imprécision dans le précédent dessin:
Image
sur la chaudière où est connecté le câble qui vient de KM1?
Image

sur les disjoncteurs Q1,Q2,Q3 le petit interrupteur bleu est-il en position basse ou haute? basse= "off"= ne laisse pas passer ; à l'nverse haute="on"=laisse passer
idem pour Q4 mais l'interrupteur est rose

en résumé
- tes résistances ne seront jamais activées
-câblage carte à peut près conforme
-pour la relève chaudière ,on attend tes réponses et après faudra regarder les paramètres dans le boitier

salut
Chane
Assidu
Assidu
Messages : 38
Enregistré le : sam. juin 23, 2012 8:07 pm
Travaillez-vous dans le domaine des énergies ou du chauffage : Non

Pompe à chaleur

Message par Chane »

Désolé je suis pas revenu sur le site car je croyais que vous attendiez mes photos.Donc je réponds aux questions.Pour le fil bleu il est connecté à un domino qui lui est connecté à rien.Le fil noir L4 est sur Q1 en bas.Le fil de la chaudiére est connecté à la borne chaudiére fait pour le programmateur d'ambiance.Q1 Q2 Q3 le petit interrupteur est en bas .Q4 est en position haute.Peut etre en effet vu l'installation faite il vaut mieux en appoint les résistances et la chaudiére.Chane.
Chane
Assidu
Assidu
Messages : 38
Enregistré le : sam. juin 23, 2012 8:07 pm
Travaillez-vous dans le domaine des énergies ou du chauffage : Non

Pompe à chaleur

Message par Chane »

Petite précision.Le fil bleu qui devait etre connecté à KM1 est connecté au domino.Qui lui n'est connecté à rien.En clair le fil bleu n'est pas connecté sur KM1.Chane
bubus
Scotché au forum
Scotché au forum
Messages : 840
Enregistré le : lun. août 22, 2011 12:21 pm
Localisation : paca
Travaillez-vous dans le domaine des énergies ou du chauffage : Non

Message par bubus »

bonjour

c'est très bien que ce fil bleu ne soit connecté à rien !!
s'il avait été connecté à un neutre (bleu=neutre en elec), la carte électronique de la chaudière n'aurait pas appréciée!!

l'installateur a vraiment bidouillé plein de truc de façon pas très "catholique" mais il semblait qd même être compétent

pas étonnant que les différents intervenants ne touchent pas au montage de relève chaudière (qui doit fonctionner) mais il serait souhaitable pour vous de faire modifier ce câblage électrique qui "embrouille" tout le monde

en résumé
1) résistances ne seront jamais activées car non reliées électriquement
2) la relève par chaudière est opérationnelle ; reste à connaître à partir de quelle T° extérieure a été programmée cette relève..
3) si vous avez de l'argent ou des compétences, modifiez ( ou faites modifier) ce câblage électrique; on peut vous guider pour trouver câblage adéquat

en hiver vous plaignez-vous d'avoir froid et d'avoir des problèmes avec la Pac Exolia??
avez vous remarqué si la chaudière vient en complément du chauffage ?

ces questions ,car j'ai trouvé bizarre le montage hydraulique fourni
Image

on n'y voit pas le circuit radiateur , les raccordements sous la chaudière ne semblent pas correspondre au modèle Théma plus (6 tubes au lieu de 5) , les piquages sur ballon sont surprenants et que vient faire ce circulateur alors qu'il doit y en avoir un dans la chaudière.

si vous voulez continuer un "diagnostique lointain" de l'instal , il faudra refaire schéma hydraulique (ou mieux faire photos exploitables) et lister des paramètres accessibles à partir du boitier de régulation dans s.a.m.

a plus
Chane
Assidu
Assidu
Messages : 38
Enregistré le : sam. juin 23, 2012 8:07 pm
Travaillez-vous dans le domaine des énergies ou du chauffage : Non

Message par Chane »

Donc si je comprends bien.Les résistancesélectriques ne sont pas branchés.On peut mettre le régulateur parametre 70 sur 3(Pac reléve chaudiére).T° extérieur programmée?C'est sur le régulateur je suppose, mais sur quel paramétre???De tout de façon aucun professionnel ne veut se déplacer pour rectifier une installation qu'ils n'ont pas faites.Si modification du cablage n'est pas obligatoireLa chaudiére se déclenche,je baisse la température la nuit car il aurait tendance a faire trop chaud..Envoi photos.Si problémes dites.Lister dans s.a.M?????Chane
Chane
Assidu
Assidu
Messages : 38
Enregistré le : sam. juin 23, 2012 8:07 pm
Travaillez-vous dans le domaine des énergies ou du chauffage : Non

Pompe à chaleur

Message par Chane »

Paramétres:P.20 -15 P.21 -7 P.22 5 P.23 16 P.24 4 ¨P.25 17 P.27 4 P.28 3 P.29 35 P.30 50 P.32 30 P.36 15 P.37 80 P.40 3.5 P.41 240 P.50/51/53/54/57 0 P.61 1 P.62 1234 P.67 0 P.70 6 P.75 1 P.80/81 U2.10 P.90 0 Chane
bubus
Scotché au forum
Scotché au forum
Messages : 840
Enregistré le : lun. août 22, 2011 12:21 pm
Localisation : paca
Travaillez-vous dans le domaine des énergies ou du chauffage : Non

Message par bubus »

bonjour

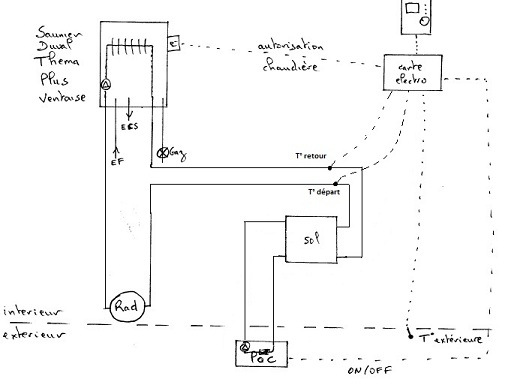
Après verif auprès de Chane, voici le schéma hydraulique réel de son installation:

Image


quels commentaires ça vous inspire ??

pour moi ,bidouille électrique (voir schéma électrique plus haut) + bidouille hydraulique à la vue :
- du positionnement des sondes de régulation
- du montage en // de chaudière et ballon 50 litres

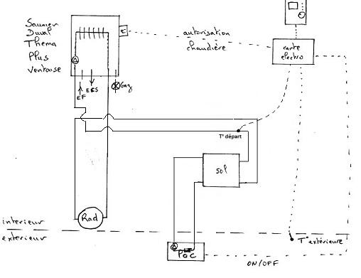
pour ma part j'utiliserai ce schéma ( quasiment identique au schéma de préconisation Technibel mis au début du post):
Image

la régulation ne se fera plus avec un simple thermostat d'ambiance comme il me semble que c'est le cas actuellement, mais se fera en fonction de la T° de l'eau de retour du réseau ( ou de départ au choix) avec une correction de l'ambiance

c'est ,je pense, qq modifs à moindre coût, qui optimiseront le fonctionnement de l'instal!

à d'autres de faire des commentaires si je me plantes!!

concernant les paramètres p.. listés
- p22=5 autorise le fonctionnement de la chaudière à partir de 5° extérieur
faire des essais pour baisser cette valeur

- p20=-15 interdit le fonctionnement de la pac à partir de -15°ext
pour une zone à -7°( dept 33) et en relève c'est étonnant ( à remonter)
entre -15° ext et 5° on autorise le fonctionnement simultané de la pac et de la chaudière

- p21=-7 et p30=50 à -7° ext la pac(+chaudière) maintiendra la T° vue par la sonde de départ à 50° (p57=0 -> regul sur départ)
mais comme la sonde de départ est mal positionnée, le boîtier met en marche la chaudière (module à fond ?) mais la sonde de régul ne le voit pas ou trop tard et on doit donc avoir chaud jusqu'à ce que le boîtier coupe par l'ambiance

- p32=30 à 16° ext la pac maintiendra la T° vue par la sonde de départ à 30°

tout ça est expliqué dans la doc du boitier de régulation que vous avez

les paramètres cités sont à ajuster en période chauffage suivant comportement de l'installation et il n'y a que l'intervenant sur place pour le faire

au vu de tout ça ,pour ma part:

-passer le p70 de 6 (radiateur) à 3(relève chaudière) ne changera pas grand chose à part les valeurs par défaut stockées en mémoire du boîtier de régulation

-pas d'utilisation des résistances électriques (si Chane veut garder le gaz)

- montage actuel pas optimisé (et à faire reprendre suivant schémas électrique et hydraulique mis dans ce post)

question pour Chane: savez vous rentrer dans la configuration de la chaudière pour nous donner la valeur du paramètre COD.5 qui définit le fonctionnement du circulateur interne de la chaudière ?

a plus après lecture d'autres commentaires!!
Chane
Assidu
Assidu
Messages : 38
Enregistré le : sam. juin 23, 2012 8:07 pm
Travaillez-vous dans le domaine des énergies ou du chauffage : Non

Message par Chane »

Valeur du paramétre code 5 de la chaudiére.(1).Sonde de départ et de retour .Si vous m'expliquer quels fils il faut que je déplace je pense que je serais faire.Pour hydraulique pensez vous que je peux laisser comme cela.Car le probléme les professionnels que j'ai contacter n'ont pas donner suite.Chane
Chane
Assidu
Assidu
Messages : 38
Enregistré le : sam. juin 23, 2012 8:07 pm
Travaillez-vous dans le domaine des énergies ou du chauffage : Non

Message par Chane »

Pour les paramétres.J'ai regarder sur le site.Je voulais rectifier certains paramétres au branchement de ma PAC.P.22 2 P.23 17 P.24 -2 P.25 12 P.29 25 P.30 33 P.32 23.Car je me chauffe à 19 19,5.Par contre le paramétre 20 à combien pensez vous que je doive le remonter.Chane
Chane
Assidu
Assidu
Messages : 38
Enregistré le : sam. juin 23, 2012 8:07 pm
Travaillez-vous dans le domaine des énergies ou du chauffage : Non

Message par Chane »

Positionnements des sondes.Sur votre schéma sonde t°extérieur et sonde départ sont bien positionnées.La sonde retour vous l'a positionner ou ?Vous n'avez pas représenter le module.Pour le reste au niveau hydraulique .Vous voulez que je change quoi?Par rapport a votre schéma.Chane
bubus
Scotché au forum
Scotché au forum
Messages : 840
Enregistré le : lun. août 22, 2011 12:21 pm
Localisation : paca
Travaillez-vous dans le domaine des énergies ou du chauffage : Non

Message par bubus »

bonjour
Chane a écrit :Vous n'avez pas représenter le module.Chane
voulez-vous utiliser les résistances électriques?
oui alors on laisse le module et on câble correctement pour que les résistances soient alimentées
nonalors on peut enlever module qui ne sert plus à rien (ou on le laisse tel quel)
Chane a écrit :Pour le reste au niveau hydraulique .Vous voulez que je change quoi?Par rapport a votre schéma.Chane
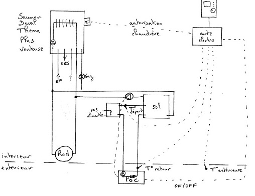
je ne veux rien ; je dis que votre que votre instal n'est pas optimisée et que si vous voulez faire intervenir qq pour modifier le montage ,il peut suivre ce schéma de principe qui n'est pas parfait non plus mais nécessite peu de travail et donc d'argent
Image
pour fonctionner correctement avec ce schéma il faut aussi modifier COD5 à 3 et un autre paramètre H20 dans la pac ; ce qui fera que le circulateur chaudière sera en marche permanente(meilleure régulation T°ambiante) et celui de la pac ne sera activé que qd celle-ci sera en marche

quand vous êtes en période de chauffe, vous plaignez vous d'un inconfort, avez vous une consommation excessive de gaz ,d'électricité? ce n'est que devant le système en fonctionnement qu'on peut améliorer les réglages de fonctionnement

salut
Chane
Assidu
Assidu
Messages : 38
Enregistré le : sam. juin 23, 2012 8:07 pm
Travaillez-vous dans le domaine des énergies ou du chauffage : Non

Message par Chane »

Je crois que je me suis mal fait comprendre.Comme vous vous doutez je ne suis pas au top au niveau des techniques de pose d'une PAC.Mais j'ai vu un schéma de chauffage en circuit direct reléve de chaudiére et cela ne correspondait pas a la pose de ma PACD'ou mes doutes.Je vous ai demander les modifications que vous apportiez sur votre shéma car si je réussis enfin a faire venir quelqu'un, je ne voudrais pas qu'il fasse des modifications inutiles.Les résistances électriques.Je voulais une PAC en reléve chaudiére;alors.Le module ne sert à rien?..Mais la carte?Franchement si de laisser le module n'a aucune conséquence,Alors je le garde(deux tuyaux,les fils électriques).Mais la sonde de départ d'eau est raccordée d'usine dans le module.Elle fonctionne ou pas?Pour la modifications des paramétres pas de probléme.Pour la période de chauffe.La premiére année il me l'avait mis sur plancher.Onpeut pas dire que j'avais chaud.Aprés sur radiateurs ,impossible d'avoir une température stableSi je baissais pas la nuit la température n'arrétait pas de monter..Pour pouvoir baisser la température je mettai le régulateur la nuit sur absence à 17.Chane
bubus
Scotché au forum
Scotché au forum
Messages : 840
Enregistré le : lun. août 22, 2011 12:21 pm
Localisation : paca
Travaillez-vous dans le domaine des énergies ou du chauffage : Non

Message par bubus »

bonsoir

c'est vrai que j'avais viré le "module électrique" mais pas la carte électronique qui l'accompagne.
ce module n'est qu'un récipient de qq litres avec 3 résistances et les sécurités adéquates mais les résistances ne seront jamais actives puisque non raccordées au réseau électrique.
comme déjà dit, l'installateur a mis un kit d'appoint électrique mais n'a utilisé que la carte

concernant les montages en relève chaudière; il y en a plusieurs types à utiliser en fonction instal existante et budget possible;
ce lien vous renvoie vers installation d'un membre et elle ressemble à votre instal:
http://www.chaleurterre.com/wiki/doku.p ... e_-_yoannd
sa sonde de régulation est placée sur le retour du réseau rad

sur la modif proposée j'ai mis sonde sur départ car on a le choix,le soft le permet par P57
ce montage a l'avantage de ne necessiter que qq soudures avec le matériel existant et devrait rester raisonnble en budget.

si pas de modif hydraulique possible, on pourra uniquement déplacer sonde de régulation; ce n'est qu'un capteur qu'on peut déplacer et refixer avec qq précautions sur canalisation.

ce déplacement devrait permettre de mieux réguler l'instal

a plus
bubus
Scotché au forum
Scotché au forum
Messages : 840
Enregistré le : lun. août 22, 2011 12:21 pm
Localisation : paca
Travaillez-vous dans le domaine des énergies ou du chauffage : Non

Message par bubus »

bonjour

d'autres liens pour schéma type et explications fct(pac+chaudière):

http://www.google.fr/url?sa=t&rct=j&q=s ... Ag&cad=rja
on y voit les T° de base de votre région à -4° qui peut vous guider pour modifier par exemple P20...
on y voit aussi le fct en simultané de( pac + chaudière) qui correspond à superposition P20,22 mais on peut aussi très bien fonctionner sans superposition

un autre lien:http://www.google.fr/url?sa=t&rct=j&q=s ... kQ&cad=rja

tout ça pour dire qu'il n'y a pas un seul montage et fonctionnement possible;
il faut s'adapter à l'installation,au climat de la région et au comportement de l'habitation et l'installateur (compétent) est la meilleure personne pour ça

je pense que dans ton cas ,il faut revoir l'hydraulique et la régulation et à défaut de compétences sur place il faut au moins améliorer la régulation par déplacement de la sonde de régul et le fct en continu d'un circulateur

j'aurais bien aimé que d'autres lecteurs donnent leurs avis

salut
Répondre

Retourner vers « TECHNIBEL »