loi d'eau sur AIRMAT CRI 110 galice ?

Répondre
bebert
Actif
Actif
Messages : 10
Enregistré le : mer. nov. 02, 2011 6:48 pm
Travaillez-vous dans le domaine des énergies ou du chauffage : Non

loi d'eau sur AIRMAT CRI 110 galice ?

Message par bebert »

Bonjour à tous,

j'ai installé une airmat cri 110 avec le thermostat d'ambiance Honeywell fourni mais j'aimerais passer sur la régulation par loi d'eau, est ce que quelqu'un connait la manip car si j'ai bien compris tant que TA est branché, impossible de faire des réglages au niveau de la régul dans l'unité intérieur.

Merci pour votre aide
aramis28
Assidu
Assidu
Messages : 52
Enregistré le : lun. janv. 17, 2011 5:47 pm
Travaillez-vous dans le domaine des énergies ou du chauffage : Non

Message par aramis28 »

Salut,

Je posséde un model identique mais de marque Atlantic (R/O 45 mais avec un logo Airmat)
Par defaut elle régule en tout-ou-rien avec la pompe de circulation (Application 3) !
Le passage en loi d'eau sur plancher chauffant (Application 1) se fait en enlevant une petite resistance sur les bornes 41-42 (4,7kohms)
Enfin le passage en loi d'eau sur radiateurs (Application 2) se fait en remplacant la resistance sur les bornes 41-42 par un pont (un morceau de fil élèctrique).

Par contre sache qu'en loi d'eau, tu devras obligatoirement brancher une vanne 3 voies !

Cette PAC est équipé d'une régulation sur loi d’eau auto-adaptative pondérée par la température intérieure, c'est à dire tu branches les 3 sondes (Exterieur, départ et ambiance) Et elle s'occupe du reste ! (Du moins elle essaye...)

Le boitier Honeywell dans le module intérieur ne permet pas le réglage de la courbe de chauffe ou d’autres parametres... C'est un boitier propiétaire Honeywell et même Airmat ne posséde pas la manip pour le dévérouiller, si tu trouve, je suis prenneur !

Bonne journée à toi....

Si tu as des questions n'hésite pas !
bebert
Actif
Actif
Messages : 10
Enregistré le : mer. nov. 02, 2011 6:48 pm
Travaillez-vous dans le domaine des énergies ou du chauffage : Non

Message par bebert »

salut aramis et merci pour l'info.

par contre quand tu parles honeywell, c'est le thermostat d'ambiance. Le boitier de régul dans l'unité intérieur est un Daikin (d'on j'ai enfin trouvé la doc mais en daikin, c'est la même)

donc tu dis que la régul daikin est vérouillé ?

@+
aramis28
Assidu
Assidu
Messages : 52
Enregistré le : lun. janv. 17, 2011 5:47 pm
Travaillez-vous dans le domaine des énergies ou du chauffage : Non

Message par aramis28 »

Salut

Ça m'étonné mais avant de te répondre j'ai préféré contrôler dans la doc Airmat pour une CRI 110 Galice. Histoire de voir si c'était différent suivant les modèles (Daikin, Mitsubishi et Fujitsu) et à moins qu'ils n'aient changé leur régule en court de route mais dans le module l'intérieur, c'est belle et bien une Honeywell. (Quand tu enlèves le capot en fibre puis celui en métal tu tombes sur un petit boitier blanc avec affichage sans marque inscrite dessus !) Est-tu sure que c'est un boitier Daikin ? Car en début de notice c'est écrit :

"La chaudière réversible inverter CRI (ou PAC) est équipée d’une régulation spécialement étudiée par HONEYWELL, utilisant un système auto adaptatif appelé MAXX-CONTROL. Elle est équipée d’une télécommande à fil, d’une vanne modulante motorisée (voir options), de trois sondes (intérieure, chaudière et extérieure). Sa fonction est de calculer entre ces trois sondes le bon régime de température d’eau nécessaire, suivant une loi d’eau (voir §…).

Et voilà en image ce que je te disais...
Image:
bebert
Actif
Actif
Messages : 10
Enregistré le : mer. nov. 02, 2011 6:48 pm
Travaillez-vous dans le domaine des énergies ou du chauffage : Non

Message par bebert »

Salut,

oui dans l'unité intérieur j'ai bien une régul Daikin, c'est marqué dessus. C'est comme cela que j'ai pu trouver la doc de cette régul. Mon thermostat d'ambiance lui par contre est un honeywell qui me permet d'afficher ma consigne, température de l'eau, tempérture extérieur, passer en mode chaud, froid....

le shéma que tu as mis est bien identique à celui de la doc de mon airmat.

Tu crois que cela vaut le coup de passer el loi d'eau ou je continu à réguler uniquement avec mon thermostat d'ambiance en tout ou rien (j'ai peur pour les conso)

@+
aramis28
Assidu
Assidu
Messages : 52
Enregistré le : lun. janv. 17, 2011 5:47 pm
Travaillez-vous dans le domaine des énergies ou du chauffage : Non

Message par aramis28 »

Salut, je t'avouerai que la régulation sur loi d'eau n'est pas toujours la plus recommandé, chaque cas est différent ! :roll: On la choisie plus souvent pour une histoire de confort (Avec un plancher chauffant réguler seulement sur l'ambiance est difficile )

Par contre pourrais-tu m'en dire un peu plus sur ton installation histoire de ne pas te répondre à l'aveuglette !
As-tu un plancher chauffant ? Des ventilo-convecteurs ? Radiateurs ? Avec ou sans tête thermostatique?
Ton installateur t'a-t-il fait une étude thermique ou connais-tu les déperditions de ton bâtiment?
Est-ce que tu as une chaudière en appoint ? (CRI 110 RD ou TD ?)

Pour te rassurer, point de vue conso ce sont en génèrale des machines peu gourmande :D et les sur-facturation viennent le plus souvent de l'appoint electrique (Résistance) qui tourne trop souvent ou soit des problèmes de court cycle (PAC qui démarre, s'arrete, démarre, s'arréte... et se retrouvent tout le temps en géle ! )
bebert
Actif
Actif
Messages : 10
Enregistré le : mer. nov. 02, 2011 6:48 pm
Travaillez-vous dans le domaine des énergies ou du chauffage : Non

Message par bebert »

Salut,

alors l'installateur c'est mon père et moi même.

J'ai donc un ventilo convecteur Wesper de 4.5 kw+ radiateur acier dans la pièce de vie, salon, cuisine et des radiateurs acier dans les chambres.

Maison des années 50 à 450 mètres d'altitude, toutes les fenêtres ont 1 mois (PVC argon) + porte d'entrée alu. Murs de la maison d'origine + laine de verre 60 mm + placo, pas de vmc.

J'ai donc gardé la chaudière fioul en secours.

pour les cycles de dégivrage, je n'ai pas pu tester encore car je n'ai pas envore fait un hiver avec, faut il déjà que je modifie le réglage d'origine en passant à 40 mn ??

peut on voir si le dégivrage est activé ou s'allume t'il uniquement quand il se met en route ??

Merci
aramis28
Assidu
Assidu
Messages : 52
Enregistré le : lun. janv. 17, 2011 5:47 pm
Travaillez-vous dans le domaine des énergies ou du chauffage : Non

Message par aramis28 »

Salut, j'espere que tu as passé un bon weekend ! :D

Pour le dégivrage, il n’y a rien qui te l’indique. Sur les modules extérieurs Fujitsu, elle se met en route après une durée de 2h de fonctionnement continue, d’où les problèmes si ta PAC fait des courts cycles (Elle ne dégivre donc jamais). Je crois que chez Daikin la durée est plus courte et que tu as un détecteur… En plus avec tes ventilo-convecteur et tes radiateurs, je ne pense pas que tu auras de problèmes !

De toute façon, ça se voit si elle démarre fonctionne quelques minutes puis s'arréte et lors de température proche de 0 tu le verras vite si elle givre et qu’elle reste continuellement gelée… :P

Dans ton cas, je ne pense pas que cela vaille le coup de la passer en loi d’eau. Ton installation est assez réactive. Par contre comme je ne connais pas la surface de ton bâtiment il m’est difficile d’estimer tes besoins en chauffages.
Si tu n'as pas peur de perdre quelque degrés pendant 2-3h et que tu veux consommer le moins possible, le mieux c’est encore de régler la température extérieure d’autorisation de l’appoint au minimum (-5°C) et tu la remontes si tu vois que ta T°C intérieure chute…

Voilà, j'espére que mais explications étaient assez claires...
Bonne journée à toi !
bebert
Actif
Actif
Messages : 10
Enregistré le : mer. nov. 02, 2011 6:48 pm
Travaillez-vous dans le domaine des énergies ou du chauffage : Non

Message par bebert »

salut Aramis,

merci pour tes réponses.

Par contre j'ai un autre problème :

je demande par exemple 21° sur mon thermostat d'ambiance, la pac chauffe impeccable jusqu'a 21° puis s'arrête. Par contre une fois que la T° descend dans la pièce, la pac ne repart que lorsqu'il fait 19°, c'est pas top ! si je veux qu'elle reparte avant il faut que je mette 22° sur le thermostat d'ambiance et après je crève de chaud.
aramis28
Assidu
Assidu
Messages : 52
Enregistré le : lun. janv. 17, 2011 5:47 pm
Travaillez-vous dans le domaine des énergies ou du chauffage : Non

Message par aramis28 »

Salut Bebert,

J’ai un peu cogité pour ton passage en loi d’eau. Je pense que c'est une solution à éviter si tu n'as pas deux réseaux séparés (Un pour le ventilo-convecteur et l'autre pour les radiateurs )
En effet, un souci dont je n’avais pas pensé, c’est que ton ventilo-convecteur ne fonctionne pour le chauffage qu’à haute température ( Il me semble 45°C minimum) et comme avec ta V3V tu vas jouer sur la température de départ du coup il ne s’enclenchera plus (ou du moins seulement lorsque ta loi d’eau sera au-dessus des 45°C)

Il y a des solutions comme remonter la T°C de la sonde ventilo avec un potentiomètre (Mais je te le déconseille car après, on aura l’impression qu’il souffle froid en mi-saison !)

Enfin bref, pour revenir à ton problème. Tu n'es pas le premier à avoir ce type de désagrément, c'est "quasi-normal" :evil: mais il y a possibilité d'y remédier...
Je pense que le mieux c'est encore de réguler à l’aide de tes émetteurs terminaux (Vannes thermostatique et ventilo-convecteurs).
Tu ne m'a pas dis, tes radiateurs sont équipé de vannes thermostatique?
Si oui, peux-tu me dire lequel n'en posséde pas (Il y en a au-moin 1) ? Est-ce qu'il se trouve dans la même piece que ton thermostat ?
bebert
Actif
Actif
Messages : 10
Enregistré le : mer. nov. 02, 2011 6:48 pm
Travaillez-vous dans le domaine des énergies ou du chauffage : Non

Message par bebert »

Salut Aramis,

j'ai donc dans la même pièce : 1 ventilo convecteur wesper basse température et 3 radiateurs acier (2 avec vannes thermostatiques et 1 sans), c'est une pièce de 55 m2 environ.
mon ventilo convecteur à lui une régulation mécanique que je vais remplacer par un aquastat à aplique car il chauffe nickel quand la pac tourne mais continu aussi à tourner quand la pac ne tourne plus : donc envoi du froid dans la pièce.

Dans toutes les chambres il y a des radiateurs avec vannes thermostatiques et dans les 2 salles de bains des sêches serviettes.

La maison fait environ 120 m2.

voila les infos

Merci
aramis28
Assidu
Assidu
Messages : 52
Enregistré le : lun. janv. 17, 2011 5:47 pm
Travaillez-vous dans le domaine des énergies ou du chauffage : Non

Message par aramis28 »

Ok, avec ce que tu m’as dit je suppose que ton thermostat est dans le salon ou proche, c’est bien ça ?! Du coup je comprends mieux le problème... A mon avis tu as 4 solutions pour le régler:

1) Essayer de mettre ton thermostat dans la pièce ayant le plus de déperdition (Celle qui a la température qui chute le plus vite) et sur son « unique » radiateur chauffant cette pièce, tu refermes légèrement son té de réglage et tu vires sa tête thermo en la remontant dans ton salon…

2) Récupérer ou acheter un thermostat d’ambiance qui t’enclenchera ou coupera la pompe de circulation (Avec un écart de T°C moins important)

3) Ajouter des vannes thermostatique là où tu n’en as pas (Je ne sais pas si les radiateurs de tes salles de bain en sont déjà équipé), monter une vanne de réglage pour la décharge et laisse tourner la pompe de circulation en continu (comme pour les plancher chauffant)

4) Monter une vanne 3 voies et passer en loi d’eau ! Par contre comme signalé plus haut en début de saison tu garderas cette impression de souffler froid avec ton ventilo-convecteur

PS : Juste pour info, avec ton ventilo-convecteur tu ne souffles pas de l'air froid quand ta pompe est à l'arret ! C'est de l'air à T°C ambiante qui est rejeté, mais le souffle te donne une T°C resentie beaucoup plus basse ! ( Dut au fait qu'avec un déplacement d'air tu perds plus vite tes calories ! )

Voilà, tiens nous au courant de ce que tu fais, si une autre solution me passe par la tête je te tiens au courant... :D
bebert
Actif
Actif
Messages : 10
Enregistré le : mer. nov. 02, 2011 6:48 pm
Travaillez-vous dans le domaine des énergies ou du chauffage : Non

Message par bebert »

Salut Aramis,

merci pour tes conseils, je vais donc passer mon premier hiver comme cela et l'année prochaine je vais intaller une vanne 3 voies pour passer en loi d'eau.

J'ai regarder dans mon unité intérieur, j'ai bien le boitier de régul de marque Daikin, par contre les cartes elec sont des honeywell.

J'ai installer un aquastat d'applique hier sur le tuyau d'eau chaude du ventilo convecteur pour qu'il coupe en même temps que la PAC, cela à l'air pas trop mal.

Ce matin il faisait 3 degrés et la pac faisait de l'eau à 48°, c'est pas mal !!

je vais aussi voir si je peux passer l'hiver sans déclancher la chaudière fioul.

pour info, je ne fait que le chauffage avec la pac, l'eau chaude est faite par un petit panneau extérieur de type loi de carnot avec son ballon thermodynamique de 250L.
rm25
Nouveau
Nouveau
Messages : 4
Enregistré le : mer. janv. 25, 2012 12:51 pm
Localisation : Doubs
Travaillez-vous dans le domaine des énergies ou du chauffage : Non

loi d'eau et fonctionnement général Airmat

Message par rm25 »

Bonjour,

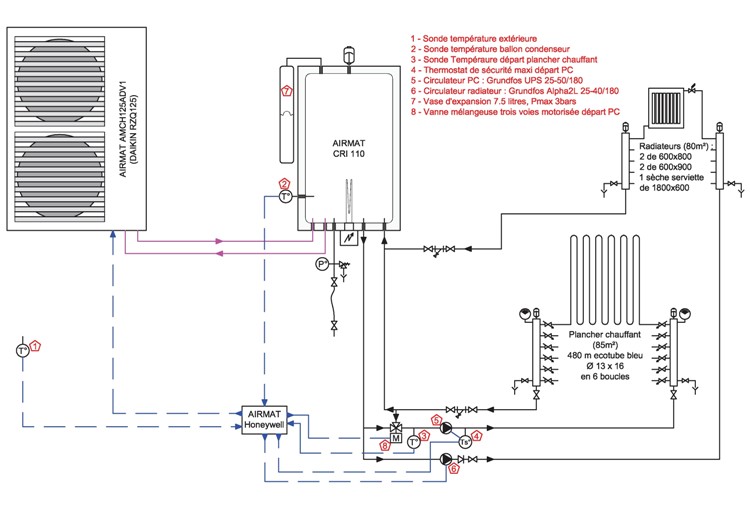
Possesseur d'une CRI110 + AMCH125ADV1 (RZQ125), je partage ici mon expérience.

J'ai construit en 2003 est installé une chaudière Fuel sur PC au RDC (85m²) et radiateurs à l'étage (5 pour 80 m²). Conso moyenne 1800 litres/an. En septembre 2008 j'ai viré la chaudière fuel et sa cuve et installé une PAC AIRMAT sans autre système de chauffage + cumulus pour l’ECS. Et là, la galère a commencé ! De nombreux problèmes de fonctionnement, un installateur frigoriste largué, un SAV Airmat borné et incompétent :

1 - température ambiante oscille entre 18 et 23°C
2 - vanne départ PC fonctionne en tout ou rien 0 – 100 % malgré fonctionnement en loi d’eau et quelque soit la température ext.
3 – batterie complètement givrée et pas de cycle de dégivrage ou batterie clean et cycle de dégivrage se fait quand même +bloc de glace en bas de la batterie et autour bouteille à l’intérieur du groupe
4- résistance d’appoint s’enclenche suite à un cycle de dégivrage et ne se déclenche pas tant que la temp. Ext. N’est pas remontée significativement
5- fonctionnement en court cycle permanent même par des temp. ext. inférieures à -5°C

La régulation "auto-adaptative" Honeywell vérifie l'écart entre la mesure et la consigne de température ambiante toutes les 5 minutes. Si celui ci se situe dans une bande morte de +/- 0.4°C, il ne se passe rien. Si la mesure est supérieure à la consigne de plus de 0.4 °C, la pente de la loi d'eau déterminant la consigne de T° départ plancher chauffant est diminuée de 0.1. Si la mesure est inférieure de 0.4°C à la consigne, la pente est augmentée de 0.2.
La régulation ajuste ainsi la pente dans une plage allant de 0.3 à 1.5 (voir graphique ci dessous pour une consigne de 21°C). Fichier excel complet sur demande.
Étant donnée l'inertie qui existe avec un plancher chauffant, la régulation oscille et sature constamment entre une pente de 0,3 et 1,5 ce qui se traduit par pas de chauffage du tout pendant une dizaine d'heures ou chauffage à fond (42°C départ PC) pendant une dizaine d'heures.
Cette PAC ne sait faire de l'eau qu'entre 48 et 52 °C quelque soit la T° extérieure. Cela n'empêche pas la régulation de demander une T° départ PC jusqu'à plus de 80°C (aucun bridage) !
Bien évidemment, une T° de départ PC maxi est définie. Quand la T° départ PC est supérieure à 45°C, la vanne mélangeuse se ferme totalement. Quand la T° redescend en dessous de 43°C, la vanne se ré-ouvre. Et le YOYO peut commencer car comme nous l'avons vu juste avant, la régulation peut demander des T° départ PC très supérieures à 45°C.

Après 2 années passées à harceler Airmat pour qu'ils mettent en application ce que je leur proposais, j'ai eu gain de cause.
J'ai réglé (avec le PC et le technicien d'Airmat) une loi d'eau avec une pente fixe à 0.6 (qui correspondait pile poil à la loi d'eau fixe de mon ancienne chaudière fuel) et j'ai fait régler le seuil de sécurité de T° départ PC à 50°C (+ hystérésis 2°C). Le confort retrouvé avec seulement deux petits paramètres ajustés mais tant de difficultés pour y parvenir.

Le seul bémol avec cette solution est que la mesure de température ambiante n'agit plus sur la T° de départ PC. Mais, encore une fois, l'inertie du plancher chauffant est telle que modifier la T° départ PC au moindre rayon de soleil n'apporte rien du tout.
Par contre, je peux en cas de besoin décaler la courbe de la loi d'eau en agissant sur la consigne de T° ambiante (voir graphique ci dessous).

Image

Image

Image

Image

Image

Concernant la résistance d'appoint, d'après la doc Airmat celle ci s'enclencherait si :
- la température ambiante mesurée est 2°C inférieure à la consigne ET
- la température extérieure est inférieure à la consigne réglée sur le module d'ambiance Honeywell ET
- la température dans le ballon est inférieure à 35 °C

Dans mon cas, d'après les enregistrement du PC Airmat, la résistance s’enclenchait:
- alors que la mesure T° ambiante = consigne,
- dès que la température dans le ballon passait en dessous de 45 °C et jusqu'à ce qu'elle soit remontée au dessus de 50°C
- avec une température extérieure de -1°C alors qu'une consigne de -5°C est réglée sur le module d'ambiance.

Donc les conditions d'enclenchement de l'appoint annoncées par Airmat sont fausses. Pour ce qui est du paramètre de la T° extérieure, à force de harcèlement j'ai trouvé l'explication : il existe un hystérésis de 4°C sur la consigne réglée sur le module d'ambiance. C'est a dire que dans mon cas, l'appoint s'enclenchait dès que la T° ext. passait une fois en dessous de -5°C mais arrêtait de se déclencher que lorsque la T° ext. repassait au dessus de -1°C. Or dans ma région, il peut se passer de nombreux jours avant que la T° ne remonte au dessus de -1°C.
J'ai donc fait modifier cet hystérésis à 0.5°C.

Mes problèmes de givrage / dégivrage sont liés à mes problèmes de courts cycles. Car même par une T° ext. de -5°C, ma PAC ne tourne pas plus de 15 minutes (puis s'arrête 5 minutes et redémarre). Une des conditions de dégivrage étant que le compresseur tourne au moins 25 minutes en continu, la batterie ne dégivre pas alors qu'elle en aurait pourtant bien besoin.
Une fois la batterie totalement obstruée, la PAC n'échange plus rien et est bien forcée de fonctionner plus de 25 minutes et de dégivrer suivant l'intervalle de temps réglé dans le paramètre de la télécommande Daikin (40 min, 2h ou 6h).

Lorsque la T° ext. est très basse (entre -7 et -20°C dans mon cas) donc que l'air est sec, ma PAC parvient à fonctionner en continu avec une batterie qui reste totalement propre. Une fois la base de temps atteinte (40 min dans mon cas), la PAC lance systématiquement un cycle de dégivrage alors qu'il n'y a pas besoin ! Je trouve ça complétement nul mai impossible de faire autrement (sauf allonger la base de temps quand l'air est sec !).
Lors des dégivrages, des paillettes de glace non fondues se détachent de la batterie, tombent et s'accumulent sur la tôle froide en dessous de la batterie. Petit à petit, il se forme un véritable bloc de glace de plusieurs centimètres d'épaisseur. Il faut bien sûr virer en premier lieu la grille qui se trouve derrière la batterie qui amplifie ce problème. J'ai ensuite réglé définitivement ce problème en installant un petit cordon de traçage auto régulé Raychem que je met en service ou non suivant les besoins avec un commutateur.

Concernant les cycles courts, la PAC étant dimensionnée pour répondre aux besoins les plus importants de l'hiver, elle est fatalement surdimensionnée 95% du temps. De plus, le volume d'eau du ballon échangeur n'est que de 48 litres donc très rapide à réchauffer avec la puissance du RZQ125. Et il ne faut pas compter sur "l'inverter" pour adapter la puissance de chauffe aux déperditions.
Un ordre de marche à 48°C de T° ballon est donné au groupe extérieur puis un ordre d'arrêt à 52°C. Une fois en marche le groupe extérieur module sa puissance non pas directement en fonction de la T° dans le ballon, mais en fonction des T° / pressions d'évaporation et de condensation du R410A :
- Si la T° dans le ballon est basse et que la T° ext est clémente, le groupe va tourner à pleine puissance car tout le gaz à pu s'évaporer facilement dans la batterie (pas de risque de gouttes dans le compresseur) et se condenser dans l'échangeur (Pression et T° de retour à la batterie basse donc meilleur échange). Le travail est tellement facile à réaliser que les 52°C sont atteints et coupe le groupe alors que celui ci n'a pas eu le temps de ralentir.
- Si la T° dans le ballon est haute et/ou que la T° ext est basse, le groupe va être obligé de ralentir pour garantir que tout le gaz soit bien évaporé dans la batterie. Car il y a moins d'énergie dans l'air pour évaporer le gaz condensé et que la pression et T° de retour du gaz condensé à la batterie est plus élevée donc moins facile à évaporer. L'inverter n'adapte donc pas la puissance de chauffe aux besoins instantanés en chauffage mais à la capacité de la batterie à évaporer tout le gaz pour protéger le compresseur.

Pour améliorer cela, j'ai donc installé un ballon tampon de 200 litres suivant le schéma ci dessous pour donner de l'inertie au système. Instantanément, les cycles se sont allongés et le groupe extérieur à fonctionné longtemps à très basse vitesse pour finalement se couper dès que les 52°C étaient atteint. Nombre de démarrage / arrêt diminués et arrêt du compresseur à basse vitesse plutot qu'à pleine charge = augmentation de la durée de vie du compresseur.
De plus, cela permet également à la vanne mélangeuse de départ PC de ne pas faire le YOYO sans arrêt à cause des variations rapides de T° dans le ballon = augmentation de la durée de vie de la vanne.

Image

Image

Dans ces nouvelles conditions, j'ai ensuite fais l'essai de tromper la sonde de T° ballon avec un potentiomètre réglable entre 12 et 60 kOhm branché en parallèle de la sonde (ajustement T° ballon en fonction approximative de la température extérieure).

Image

Cela permet effectivement d'arriver au résultat escompté à savoir faire de l'eau à une température adaptée à la température extérieure. Le problème c'est qu' avec cette option, je retrouve mes cycles courts et les arrêts du compresseur à pleine charge ! Car la température de condensation du gaz est plus faible et que le travail est plus facile à réaliser. Ceci doit se produire car les T° ext sont encore clémentes et les besoins en chauffage faibles.

Je pense donc que la solution ultime est d'installer la carte de limitation de puissance KRP58M51 sur mon groupe extérieur pour pouvoir enfin brider la puissance de cette PAC quand les besoins en chauffage sont faibles. J'ai fais une demande auprès du fournisseur local qui n'a pas l'air de vouloir me répondre...

Voila pour mon expérience, mes avis et en vous remerciant tous des infos que vous m'avez apporté.

A votre disposition si besoin...

Désolé pour l'orthographe mais j'ai écris vite et je suis une burne de toute façon.

Tchuss.
aramis28
Assidu
Assidu
Messages : 52
Enregistré le : lun. janv. 17, 2011 5:47 pm
Travaillez-vous dans le domaine des énergies ou du chauffage : Non

Message par aramis28 »

Salut RM25,
Merci pour toutes ces informations ! J'ai connu quasi les même déboires que toi... :P
J'ai mis mon installation de côté depuis l'hiver dernier (Trop de trucs en cours !!! :roll: ) Je comptais y installer une nouvelle régulation à fin de pouvoir passer outre l'auto-adaptabilité de la regule et bloquer ma courbe (j'ai une cheminée qui nous sert juste lorsque qu'on a envie d'un p'tit coup de chaud...)

Ce que tu dis m'intéresse donc fortement :

"J'ai réglé (avec le PC et le technicien d'Airmat) une loi d'eau avec une pente fixe à 0.6 (qui correspondait pile poil à la loi d'eau fixe de mon ancienne chaudière fuel) et j'ai fait régler le seuil de sécurité de T° départ PC à 50°C (+ hystérésis 2°C). Le confort retrouvé avec seulement deux petits paramètres ajustés mais tant de difficultés pour y parvenir."

Pourrais-tu me dire comment vous avez procédé (directement en vous branchant sur le RS232 ?)
Ma PAC est une Airmat / Fujitsu brandé Atlantic hors de la période de garantie et installé par mes soins!!! Donc convaincre un technicien ne sera pas chose facile... :oops:

Merci d'avance
Répondre

Retourner vers « AIRMAT »