ce message s adresse a ummolae elf reigura de fin connaisseur et metteur au point
voila j ai une PAC ajtech avec module externe RQZ125
11 radiateurs aciers et le tout géré par un thermostat delta dore ( en tout ou rien )
j aimerai réguler sur l ambiance et pour ça je viens de recevoir ma carte d amplification de signale et une thermistance de 20KoHms
mon installation a été posée par Cotentin énergie système
j ai rencontré en début de semaine un technicien qui m a dit que cette boite fait assembler des ajtech a leur cahier des charges
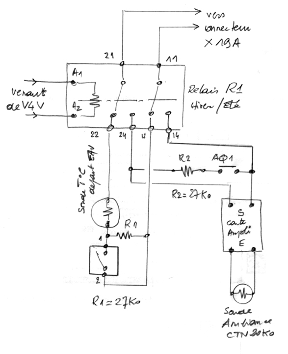
c est a dire sous le câblage suivant

j aimerai a présent le modifier afin de réguler sur l ambiance et plus en TOR sous le schéma ajtech avec sonde d ambiance et carte d amplification de signal
selon mon relevé de schema transmis est ce possible ??
je joins aussi une photo de ma carte de régulation
enfin a quoi sert le shunt sur le bornier X15A ??



merci a tous de votre collaboration
je mettrai en ligne le résultat de mes modifications
pistol





