Problème d'arrêt du PAC AJTECH/DAIKIN RZQ 125
-
3ctop@orange.fr
- Actif

- Messages : 11
- Enregistré le : sam. nov. 17, 2012 11:40 am
- Travaillez-vous dans le domaine des énergies ou du chauffage : Non
Problème d'arrêt du PAC AJTECH/DAIKIN RZQ 125
Bonjour a tous, je suis un tout nouveau forumeur et novice en matière de PAC, je recherche de l'aide, j'ai récupéré une PAC Ajtech/Daikin RZQ 125 de 2006 a un ami qui a remplacé sont matériel, je viens de procéder a la mise en service, l'aquasta reglé a 40°, consigne a 20° a la commande centralisée, tous semble démarrer correctement et pourtant après 2 heures de fonctionnement, température d'ambiance atteinte a l’intérieur, température d'eau a + de 45° et pourtant rien ne s’arrête n'y le circulateur n'y le groupe extérieur, je réduit la consigne a 16° et l'aquasta a 0° toujours rien je suis obligé de l'arrêter au disjoncteur.
Je précise que j'ai uniquement une sonde air CTN 20K raccordée en 4-5 sur le bornier.
Merci pour ceux qui pourrez m'aide a trouver une solution.
Je précise que j'ai uniquement une sonde air CTN 20K raccordée en 4-5 sur le bornier.
Merci pour ceux qui pourrez m'aide a trouver une solution.
-
calair62100
- Actif

- Messages : 15
- Enregistré le : lun. sept. 03, 2012 12:57 pm
- Localisation : 62100 - Calais
- Travaillez-vous dans le domaine des énergies ou du chauffage : Non
-
ummolae
- Resp. Section

- Messages : 3602
- Enregistré le : ven. nov. 03, 2006 7:33 pm
- Travaillez-vous dans le domaine des énergies ou du chauffage : Non
Re: Problème d'arrêt du PAC AJTECH/DAIKIN RZQ 125
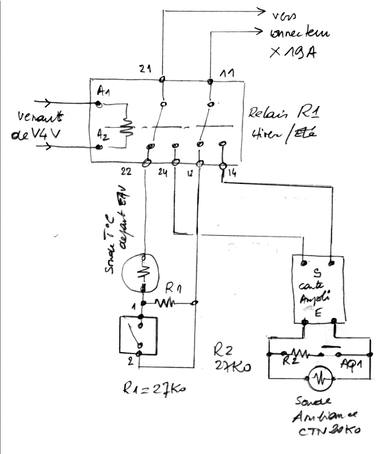
Ta régulation semble être absente en totalité, une première chose à vérifier :3ctop@orange.fr a écrit :Je précise que j'ai uniquement une sonde air CTN 20K raccordée en 4-5 sur le bornier.
- faire une mesure de tension sur les bornes 8 et 9 du bornier interne du module intérieur, il doit y avoir une tension de 220V, c'est la liaison entre la vanne 4V et le relais R1 (hiver/été) si ce relais n'est pas "monté" la régulation est inopérante.


-
3ctop@orange.fr
- Actif

- Messages : 11
- Enregistré le : sam. nov. 17, 2012 11:40 am
- Travaillez-vous dans le domaine des énergies ou du chauffage : Non
Problème d'arrêt du PAC AJTECH/DAIKIN RZQ 125
Bonjour ummolae.
Merci pour cette précision effectivement la reprise d'information n’était pas raccordée,
après raccordement en 8-9 du bornier j'ai bien 220v, mais je me retrouve avec un code erreur 0-C9 ?
Merci pour ta reponse
Merci pour cette précision effectivement la reprise d'information n’était pas raccordée,
après raccordement en 8-9 du bornier j'ai bien 220v, mais je me retrouve avec un code erreur 0-C9 ?
Merci pour ta reponse
-
ummolae
- Resp. Section

- Messages : 3602
- Enregistré le : ven. nov. 03, 2006 7:33 pm
- Travaillez-vous dans le domaine des énergies ou du chauffage : Non
Re: Problème d'arrêt du PAC AJTECH/DAIKIN RZQ 125
Déjà un pas de franchi, C9 c'est un problème sur la thermistance d'ambiance, bien vérifier la sonde, le circuit et la carte d'amplification jusqu'à X19A, il semblerait que l'image sonde ne parvienne pas jusqu'au régulateur.3ctop@orange.fr a écrit :mais je me retrouve avec un code erreur 0-C9 ?
En plus de la présence du 220V, vérifié que le relais R1 est bien "monté".
Modifié en dernier par ummolae le lun. nov. 19, 2012 11:06 pm, modifié 2 fois.
-
3ctop@orange.fr
- Actif

- Messages : 11
- Enregistré le : sam. nov. 17, 2012 11:40 am
- Travaillez-vous dans le domaine des énergies ou du chauffage : Non
J'ai contrôlé le raccordement du relais R1 tous me semble ok suivant ton schema, la carte d'amplification aussi, je te précise que le défaut s'affiche dés que j'enclenche le groupe ext et s'efface lorsque je l’arrête et qu'avant de raccorder la V4V, se defaut ne s'affichait pas, j'ai mesuré la sonde d'ambiance elle m'affiche 14k et le depart d'eau 18k.
-
ummolae
- Resp. Section

- Messages : 3602
- Enregistré le : ven. nov. 03, 2006 7:33 pm
- Travaillez-vous dans le domaine des énergies ou du chauffage : Non
Ces 2 sondes doivent être de 20kO à 25°C, difficile de faire une pareille mesure, le mieux sera de les placer dans un bol avec de l'eau et de la glace, la glace fondante est à O°C donc une impédance de 66 kO.3ctop@orange.fr a écrit :, j'ai mesuré la sonde d'ambiance elle m'affiche 14k et le depart d'eau 18k.
Je pense que l'erreur C9 doit avoir une autre origine soit la carte ampli ou sa liaison avec l'entrée régulation sur la carte Daikin (interne hydro), il faudra mesurer ce qui sort de la carte et ce qui rentre sur X19A
Modifié en dernier par ummolae le lun. nov. 19, 2012 11:05 pm, modifié 1 fois.
-
3ctop@orange.fr
- Actif

- Messages : 11
- Enregistré le : sam. nov. 17, 2012 11:40 am
- Travaillez-vous dans le domaine des énergies ou du chauffage : Non
-
ummolae
- Resp. Section

- Messages : 3602
- Enregistré le : ven. nov. 03, 2006 7:33 pm
- Travaillez-vous dans le domaine des énergies ou du chauffage : Non
Environ 3 Volts (2,86/3.2)3ctop@orange.fr a écrit :Quelles valeurs doit il y avoir en sortie d'ampli et en X19A.
Modifié en dernier par ummolae le lun. nov. 19, 2012 11:07 pm, modifié 1 fois.
-
3ctop@orange.fr
- Actif

- Messages : 11
- Enregistré le : sam. nov. 17, 2012 11:40 am
- Travaillez-vous dans le domaine des énergies ou du chauffage : Non
-
ummolae
- Resp. Section

- Messages : 3602
- Enregistré le : ven. nov. 03, 2006 7:33 pm
- Travaillez-vous dans le domaine des énergies ou du chauffage : Non
Bonsoir
Attention, j'ai fait une erreur dans les précédents post, je t'ai indiqué X5A, il fallait lire X19A
Tu devrais avoir la même tension en sortie carte ampli et X19A, si c'est différent c'est qu'il y a un mauvais câblage ou un mauvais contact quelque part. Bien contrôler le câblage des relais, voir la présence de tension aux bornes de la bobine relais R1 et contrôler que le relais est bien collé en position "chauffage" sur le BRC. (boitier de commande)
Tu pourrais faire un essai en débranchant la prise X19A et mettre à la place directement une résistance fixe de 27 kO qui correspond à environ 18°C, si tu mets la consigne vers 20°C, le groupe devrait démarrer.
Attention, j'ai fait une erreur dans les précédents post, je t'ai indiqué X5A, il fallait lire X19A
Tu devrais avoir la même tension en sortie carte ampli et X19A, si c'est différent c'est qu'il y a un mauvais câblage ou un mauvais contact quelque part. Bien contrôler le câblage des relais, voir la présence de tension aux bornes de la bobine relais R1 et contrôler que le relais est bien collé en position "chauffage" sur le BRC. (boitier de commande)
Tu pourrais faire un essai en débranchant la prise X19A et mettre à la place directement une résistance fixe de 27 kO qui correspond à environ 18°C, si tu mets la consigne vers 20°C, le groupe devrait démarrer.
-
3ctop@orange.fr
- Actif

- Messages : 11
- Enregistré le : sam. nov. 17, 2012 11:40 am
- Travaillez-vous dans le domaine des énergies ou du chauffage : Non
j'ai refais un test, j'ai mesuré ( sorti ampli 2,91 Volts) / (3,58 Volts X19A) et (220 Volts A1/A2).
je mets en route le groupe EXT diode rouge allumée aprés 2 minutes le groupe demarre, la tension chute sortie d'ampli a 0,00 volts et 0,02 Volts X19A. Le groupe EXT tourne au ralenti pas de chaud, code erreur 0-C9.
si je débranche A1/A2 le relais tombe et sa fait du chaud
je mets en route le groupe EXT diode rouge allumée aprés 2 minutes le groupe demarre, la tension chute sortie d'ampli a 0,00 volts et 0,02 Volts X19A. Le groupe EXT tourne au ralenti pas de chaud, code erreur 0-C9.
si je débranche A1/A2 le relais tombe et sa fait du chaud
-
ummolae
- Resp. Section

- Messages : 3602
- Enregistré le : ven. nov. 03, 2006 7:33 pm
- Travaillez-vous dans le domaine des énergies ou du chauffage : Non
Si le relais est débranché (donc ouvert) et que cela chauffe c'est qu'il y a une inversion sur les contact du relais, l'image sonde doit passer par le relais lorsqu'il est fermé (monté). Difficile de faire un dépannage à distance.3ctop@orange.fr a écrit :si je débranche A1/A2 le relais tombe et sa fait du chaud
Sortie ampli à 2,91 V c'est bien !
-
3ctop@orange.fr
- Actif

- Messages : 11
- Enregistré le : sam. nov. 17, 2012 11:40 am
- Travaillez-vous dans le domaine des énergies ou du chauffage : Non
Bonsoir ummolae,
J'ai du nouveau, j'ai solutionné le problème principale lié a la chute de tension en X19A et sortie d'ampli, il y avait effectivement une erreur de câblage avec inversion des polarités en sortie d'ampli, code erreur 0-C9 réglé, tension X19A 2,37 Volts idem en sortie d'ampli.
cela dit il me reste 1 souci de régule avec la sonde d'ambiance, pour démarrer le groupe EXT je dois refroidir la sonde alors que j'ai une consigne au max a 32° et une température ambiante de 23°, en refroidissent la sonde le groupe démarre et s’arrête dés que la sonde se réchauffe,
j'ai mesuré la valeur de la sonde avec l'ajtech sous tension 13,50 Ko et sonde seul débranchée 19,90 ko.
il y a aussi le circulateur qui tourne en permanence ?
Merci de voir si cela peu te faire avancer dans ton aide.
J'ai du nouveau, j'ai solutionné le problème principale lié a la chute de tension en X19A et sortie d'ampli, il y avait effectivement une erreur de câblage avec inversion des polarités en sortie d'ampli, code erreur 0-C9 réglé, tension X19A 2,37 Volts idem en sortie d'ampli.
cela dit il me reste 1 souci de régule avec la sonde d'ambiance, pour démarrer le groupe EXT je dois refroidir la sonde alors que j'ai une consigne au max a 32° et une température ambiante de 23°, en refroidissent la sonde le groupe démarre et s’arrête dés que la sonde se réchauffe,
j'ai mesuré la valeur de la sonde avec l'ajtech sous tension 13,50 Ko et sonde seul débranchée 19,90 ko.
il y a aussi le circulateur qui tourne en permanence ?
Merci de voir si cela peu te faire avancer dans ton aide.
-
ummolae
- Resp. Section

- Messages : 3602
- Enregistré le : ven. nov. 03, 2006 7:33 pm
- Travaillez-vous dans le domaine des énergies ou du chauffage : Non
Le circulateur doit tourner en permanence avec une sonde d'ambiance.3ctop@orange.fr a écrit :j'ai mesuré la valeur de la sonde avec l'ajtech sous tension 13,50 Ko et sonde seul débranchée 19,90 ko.
il y a aussi le circulateur qui tourne en permanence ?
Valeur tension sortie ampli trop faible, si tu dois refroidir la sonde c'est qu'elle donne un signal plus élevé que la consigne, il va peut être falloir la changer, donnes moi la valeur sonde ( sans la toucher et débranchée ) et la température a laquelle elle est soumise.