Construction milieu XVIII ème
Maison en pierres de schistes de 0.50 à 0.60 m doublé de 75 de laine de verre et de cloison en brique de 4 + plâtre.
Rénovation de 1990 à 1993, isolation sous rampant 0.20 m laine de verre 80+120 croisée.
Surface habitable 360m² sur 2 niveaux + jardin d’hiver 33 m² (en projet = solaire passif)
RDC 200m² chauffé par plancher chauffant sauf arrière-cuisine de 7.5m² .
Etage 160m², 10 radiateurs acier
Volume chauffé : 1080 m3
Double vitrage en totalité, huisseries mixtes bois-alu.
Cheminées :
une cheminée à foyer ouvert.
cheminée d’évacuation des fumées du four à pain (restauré mais non utilisé)
cheminée en attente pour installation d’un poêle avec bouilleur.
Installation actuelle :
Chauffage fioul basse température, Brotje puissance 30 Kw (surdimensionnée)
ECS 170 litres
Chaudière flamme bleue + régulation
Consommation moyenne : 2200 l
T° intérieure : 19.5 °
Rafraîchissement par puits canadien (à venir)
EDF abonnement 15 Kw triphasé + photovoltaique intégré de 3 Kw (en cours de négociation)
Site :
Loire Atlantique (44)
Altitude :44 m
Exposition principale plein Sud 0° de décalage
Pas d'ombres portées
Température de base -4°C
DJU 2157
Station Météorologique de Saint Nazaire Montoir
Projet :
Se désengager du chauffage fioul
Installation de 15 à 17 Umax ou équivalent
Ballon ECS 300 ou 500 l + Ballon Tampon Chauffage 1500 l
Décharge dans 2 ème tampon extérieur ou dans une mare naturelle
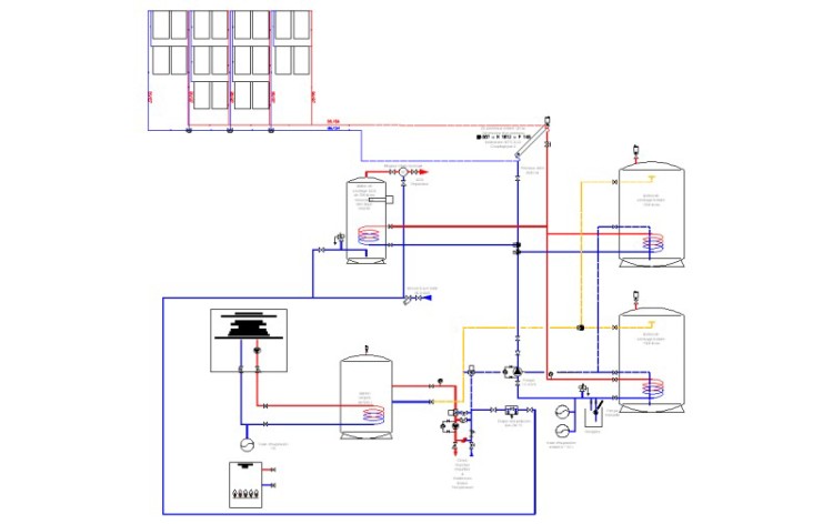
Voici le schéma hydraulique pour critique sans la régulation.
Tous les gisements de calories sont mis.
Question :
1/ le circuit général est il ok,
2/ pour la chaudière existante (replacé à terme par le foyer bois), raccordement sur le serpentin bas du tampon ou sur le haut (serpentin existant ?) ?
3/ Une PAC eau/eau est elle possible sur le débit du forage existant ?







