Je m'apprête à auto-installer une PAC technibel phr15 en relève de chaudière propane.
Ma configuration est la suivante :
Maison dans le Tarn (81) de 160m2 de 190.. , mur de 50cm en pierre, terres, brique pleine, ( isolations laine de verre 200mm dans les combles),
11 radiateurs fonte (sans robinets thermostatique) 5 au Rez de Chaussée (80m2) et 6 à l'étage (80m2), pas de double vitrage.
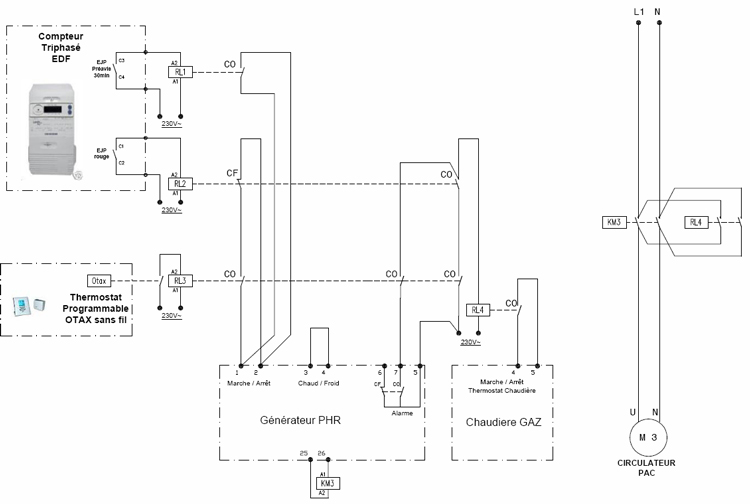
Alimentation EDF triphasé + EJP. l'ECS est réalisé par cumulus quasi neuf (replacé il y a deux ans).
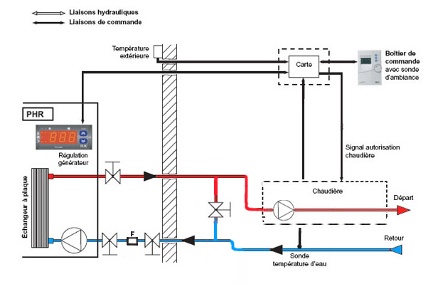
La température de ma chaudière tourne de 35° à 45°, régulation de la chaudière de Dietrich manuel via ma maman et le thermostat position 3 à 4, pas de vanne 3V.
La Pac serait installé à 15 mètres de la chaudière. Liaison en cuivre de 28 isolé.
Ma question est si j’utilise l’AQUASET (K 60 D 063 Z- Config n°70 : 3 = PAC relève chaudière), pour la régulation et délestage pour les jours rouges, puis je faire ce montage en replaçant le ballon de mélange par une vanne de décharge, (comme les montages de Georges, mais sans clapet anti-retour).
Est-il possible de faire fonctionner qu’un circulateur, soit celui de la Pac quant c’est elle qui fonctionne, soit celui de la chaudière lors des jours rouges. (voir les deux pour la relève
Si quelqu'un peut me donner sont avis, je suis preneur. Merci d'avance.
Si dessous le schéma modifié à partir de celui de yoannd.

schéma de technibel:













